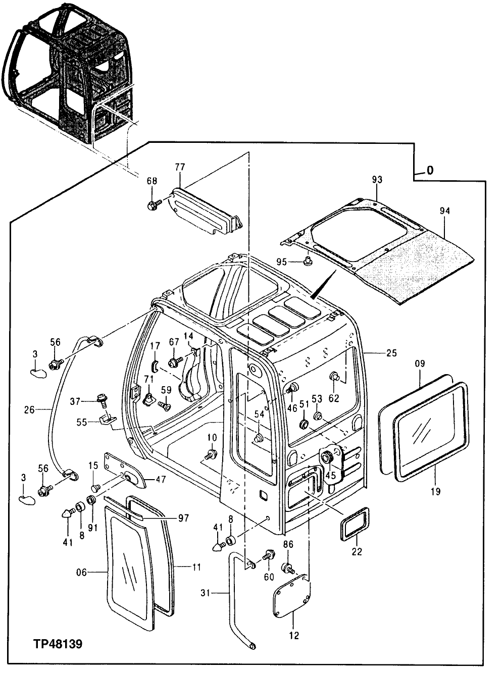
Запчасти John Deere 10 161 - Cab Components 1810 Operator Enclosure

Схема запчастей John Deere 10 - 161 - Cab Components 1810 Operator Enclosure
FIT
1:1
100%

Артикул

Название

Примечание

Количество

0

4383439

Cab

SUB FOR AT215570 Contains All Compone nts On This Page Additional Components Listed On Previous and Following Page s

1шт.

3

4369572

Cover

SUB FOR AT214082

2шт.

6

4369556

Windowpane

SUB FOR AT215569 OR 4383431 Includ es Seal Glued To Glass Additional S eal Required For Installation On Ca b

1шт.

8

4369561

Spacer

SUB FOR AT214071

2шт.

9

AT215124

Windowpane

1шт.

10

19M8425

Cap Screw

M6 X 16

1шт.

12M7006

Lock Washer

6 mm

1шт.

24H1287

Washer

9/32" X 5/8" X 0.065"

1шт.

11

4400079

Seal

SUB FOR AT214289, THIS APP LICATION; SUB FOR AT218190

1шт.

12

4369570

Cover

SUB FOR AT214080

1шт.

14

4369565

Cover

SUB FOR AT214075

1шт.

15

4369659

Clip

SUB FOR AT214158

1шт.

17

4369566

Isolator

SUB FOR AT214076

1шт.

19

4369554

Weatherstrip

SUB FOR AT214067

1шт.

22

4369585

Weatherstrip

SUB FOR AT214095

1шт.

25

4369574

Isolator

SUB FOR AT214084

1шт.

26

4369571J

Handrail

SUB FOR AT214081 OR 4369571

1шт.

31

4602595

Handrail

SUB FOR 4369625 AND AT214127

1шт.

37

21M7246

Screw

M6 X 16

2шт.

24M7293

Washer

6.500 X 13 X 1.600 mm

2шт.

12M7006

Lock Washer

6 mm

2шт.

41

4204586

Bumper

SUB FOR TH108668

2шт.

45

4369568

Grommet

SUB FOR AT214078

1шт.

46

4295573

Hook

SUB FOR AT157057

1шт.

47

4369557

Panel

SUB FOR AT214069

1шт.

51

4369569

Grommet

SUB FOR AT214079

1шт.

53

4372087

Plug

SUB FOR AT214286

2шт.

54

4369626

Plug

SUB FOR AT214128

1шт.

55

4369675

Isolator

SUB FOR AT214173

2шт.

56

19M8533

Screw

M10 X 25 SUB FOR AT214083 OR 4369573

2шт.

59

4320163

Screw

SUB FOR AT200584

2шт.

60

Screw With Washer

AT214305 OR 4372219 NLA

2шт.

19M7662

Cap Screw

M10 X 30 SUB FOR J901030

2шт.

24M7346

Washer

11 X 20 X 2 mm SUB FOR J922010

2шт.

62

4372088

Clip

SUB FOR AT214287

8шт.

67

21M7246

Screw

M6 X 16

3шт.

24M7293

Washer

6.500 X 13 X 1.600 mm

3шт.

12M7006

Lock Washer

6 mm

3шт.

68

19M7162

Cap Screw

M8 X 16 SUB FOR AT214308 OR 43722 22, ALONG WITH 24M7036 AND 12M7065

3шт.

24M7036

Washer

9 X 16 X 1.600 mm

3шт.

Washer

12M7065 NLA

3шт.

71

4369627

Striker

SUB FOR AT214129

1шт.

77

4369567

Cover

SUB FOR AT214077

1шт.

86

J680620

Screw With Washer

SUB FOR AT213611

11шт.

91

4372089

Grommet

SUB FOR AT214288

1шт.

93

4369552

Headliner

SUB FOR AT214065

1шт.

94

4369551

Headliner

SUB FOR AT214064

1шт.

95

4369614

Clip

SUB FOR AT214117

12шт.

97

4369559

Isolator

SUB FOR AT214070

1шт.

Выбрано товаров: 49