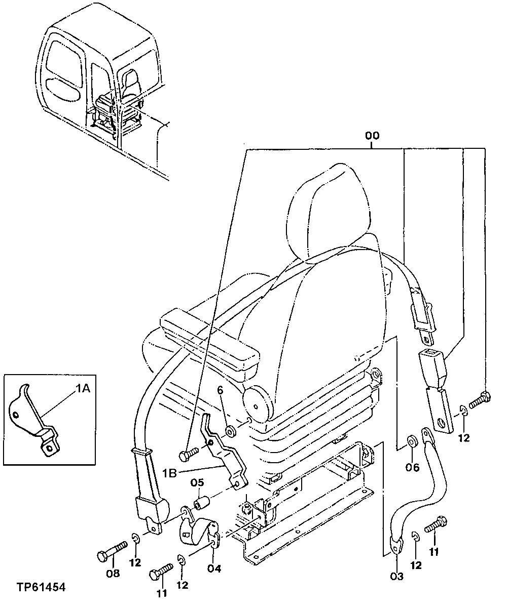
Запчасти John Deere 10 181 - Seat Belt 1821 Seat And Seat Belts

Схема запчастей John Deere 10 - 181 - Seat Belt 1821 Seat And Seat Belts
FIT
1:1
100%

Артикул

Название

Примечание

Количество

0

4384239

Seat Belt

(SUB FOR AT215572)

1шт.

AT175772

Seat Belt

1шт.

1A

Support

( AP33293 NLA) (SUB AP36524)

1шт.

1B

AP36524

Support

1шт.

3

4382410

Retainer

(STRAP) (SUB FOR AT215563)

1шт.

P63326

Strap

1шт.

4

4372917

Retainer

(STRAP) (SUB FOR AT215537)

1шт.

P63325

Strap

1шт.

5

4382432

Sleeve

(SUB FOR AT215564)

1шт.

P60914

Spacer

1шт.

6

4382554

Washer

(SUB FOR AT215565)

2шт.

4372200

Spacer

(SUB FOR P60915)

2шт.

8

4380534

Cap Screw

(SUB FOR AT215561)

1шт.

19H3007

Cap Screw

7/16" X 2-1/2"

1шт.

11

19H3187

Cap Screw

7/16" X 1-1/2"

2шт.

12

12H301

Lock Washer

1/2"

4шт.

Выбрано товаров: 16