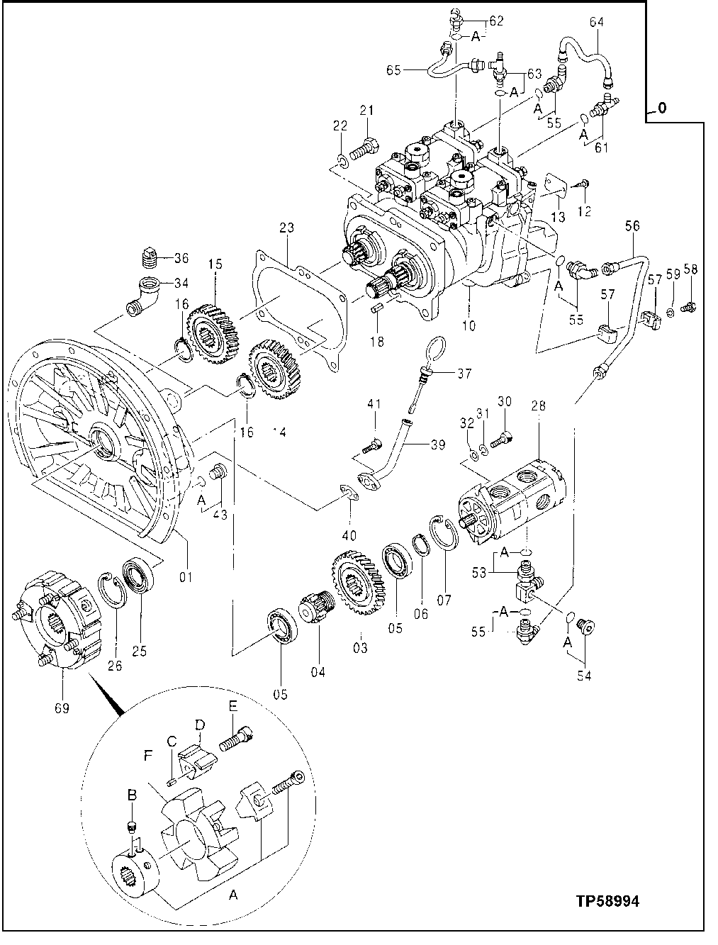
Запчасти John Deere 10 210 - Main Hydraulic Pump (Blade) 2160 Vehicle Hydraulics

Схема запчастей John Deere 10 - 210 - Main Hydraulic Pump (Blade) 2160 Vehicle Hydraulics
FIT
1:1
100%

Артикул

Название

Примечание

Количество

0

9159228

Hydraulic Pump

SUB FOR AP35542 PUMP WITH ANTI-RUST; SUB FOR AP35031

1шт.

1

1022569

Gear Case

SUB FOR AT215841

1шт.

3

3070066

Gear

SUB FOR AT215864

1шт.

4

3055594

Shaft

SUB FOR AT202412

1шт.

5

JD8514

Ball Bearing

2шт.

6

962002

Snap Ring

SUB FOR TH100483

1шт.

7

40M7090

Snap Ring

1шт.

10

Pump

NOT AVAILABLE FOR SERVICE AS COMPLETE A SSEMBLY See Separate Page For Components

1шт.

12

37H99

Screw

0.100" X 1/4"

2шт.

13

Identification Plate

1шт.

14

3070062

Gear

SUB FOR AT215862

1шт.

15

3070063

Gear

SUB FOR AT215863

1шт.

16

962002

Snap Ring

SUB FOR TH100483

2шт.

18

34M7061

Spring Pin

8 X 20 mm

2шт.

21

T114269

Cap Screw

SUB FOR AT215658 AND J901445

6шт.

22

12H317

Lock Washer

9/16"

6шт.

23

8060011

Gasket

SUB FOR AT215995

1шт.

25

4340328

Seal

SUB FOR AT215907

1шт.

26

40M7228

Snap Ring

1шт.

28

9218033

Pump

GEAR; SUB FOR AT183093, 427869 6 See Separate Page For Detail

1шт.

30

19M8337

Screw

M10 X 30

2шт.

31

12M7135

Lock Washer

10 mm SUB FOR 12M6791

2шт.

32

4114402

Washer

10.500 X 22 X 3.200 mm (0.413" X 0.866" X 0.126") SUB FOR TH102181

2шт.

34

15H621

Elbow Fitting

3/4"

1шт.

36

4234782

Plug

SUB FOR AT200990

1шт.

37

4721548

Gauge

SUB FOR TH112088 AND 4242263

1шт.

39

9745521

Dipstick Tube

SUB FOR AT216029

1шт.

40

9742779

Gasket

SUB FOR AT214401

1шт.

41

19M7647

Screw

M8 X 16 SUB FOR AT217709

2шт.

43

9134111

Fitting

SUB FOR AT203648

1шт.

43A

CH11570

O-Ring

13.800 X 2.400 mm (0.543" X 3/32")

1шт.

53

4278547

Adapter Fitting

SUB FOR AT154349

1шт.

53A

4506418

O-Ring

17.800 X 2.400 mm (0.701 " X 3/32") SUB FOR U46489

1шт.

54

9134110

Fitting

SUB FOR AT203649

1шт.

54A

M800650

Packing

1шт.

55

4293950

Fitting

SUB FOR TH109468 OR AT160584

2шт.

55A

M800650

Packing

1шт.

56

3071962

Oil Line

SUB FOR AT215868

1шт.

57

9736515

Clamp

SUB FOR AT154545

2шт.

58

19M7513

Cap Screw

M8 X 30 SUB FOR 19M7288

1шт.

59

Washer

12M7065 NLA

1шт.

61

4203485

Fitting

SUB FOR TH109466

1шт.

61A

M800650

Packing

1шт.

62

4118499

Elbow Fitting

SUB FOR TH101821

1шт.

62A

M800650

Packing

1шт.

63

4360605

Tee Fitting

SUB FOR AT192822

1шт.

63A

M800650

Packing

1шт.

64

4360719

Line

SUB FOR AT192825

1шт.

65

4360718

Line

SUB FOR AT192824

1шт.

69

4340275

Splined Coupling

sUB FOR AT215906

1шт.

69A

4366376

Hub

SUB FOR AT215952

1шт.

69B

4334899

Set Screw

SUB FOR AT203651

2шт.

69C

34M7117

Spring Pin

5 X 10 mm

4шт.

69D

Insert

4шт.

69E

Bolt

4шт.

69F

Filter Element

1шт.

Выбрано товаров: 56