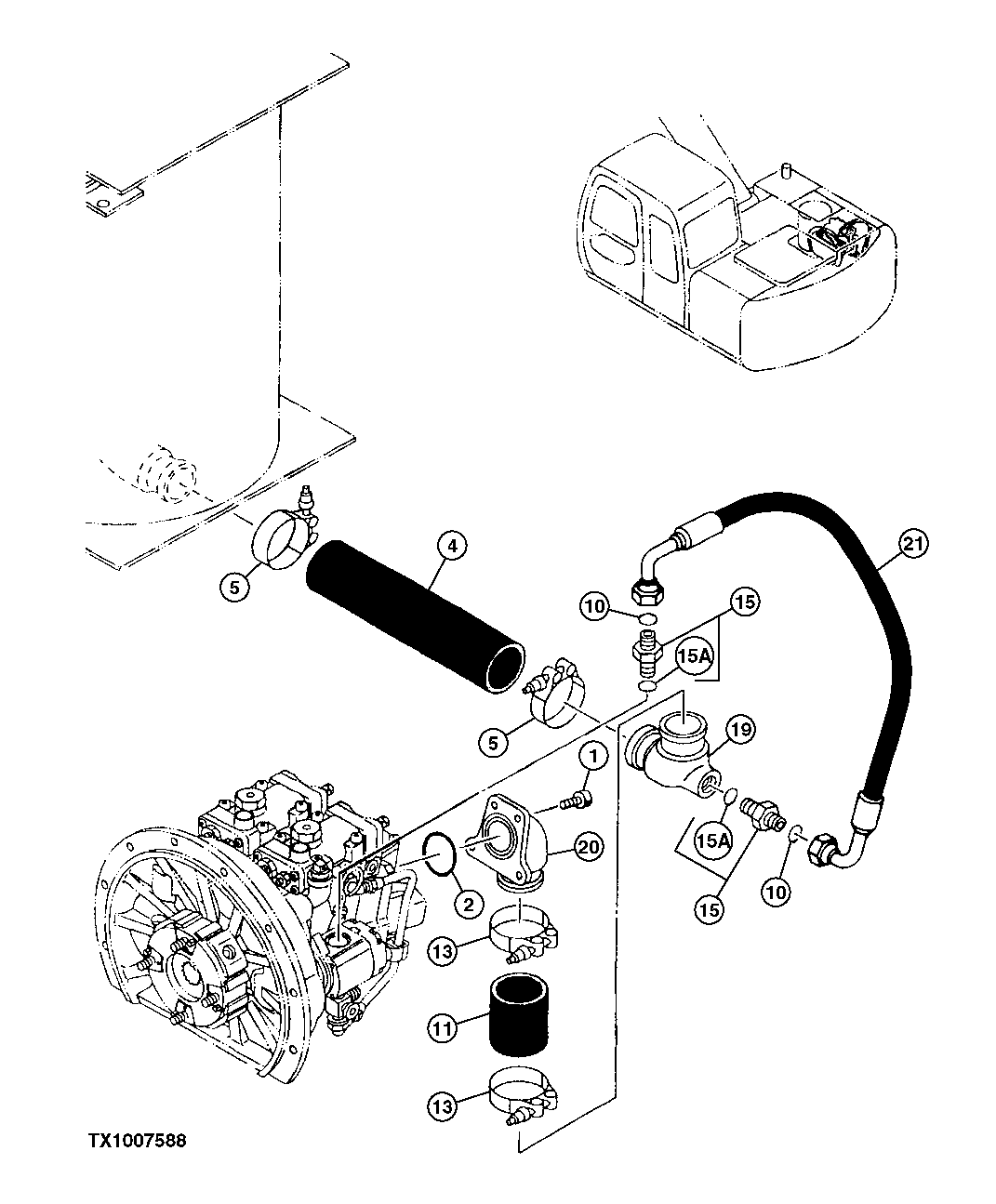
Запчасти John Deere 10 218 - Suction Hose 2160 Vehicle Hydraulics

Схема запчастей John Deere 10 - 218 - Suction Hose 2160 Vehicle Hydraulics
FIT
1:1
100%

Артикул

Название

Примечание

Количество

1

J781228

Bolt

(SUB FOR P61967 OR AT214412)

4шт.

2

TH105684

O-Ring

74.400 X 3.100 mm (2.929" X 0.122")

1шт.

4

P68661

Hose

430mm (16.93in.), (CUT TO LENGTH) (SUB FOR P68663 OR AP34517 ) (ALSO ORDER (2) AT37476)

1шт.

5

AT37476

Hose Clamp

(SUB FOR AT43291, APPL)

2шт.

10

T77858

O-Ring

18.771 X 1.778 mm (0.739" X 0.070")

2шт.

11

P68661

Hose

186mm (7.32in.), (CUT TO LENGT H) (SUB FOR AP34518 OR P68662)

1шт.

13

AT43291

Hose Clamp

(USE WITH AP34518)

2шт.

AT37476

Hose Clamp

(USE WITH P68662)

2шт.

15

A853166

Adapter Fitting

(SUB FOR AT107392 OR 4189619)

2шт.

15A

AT318035

O-Ring

(SUB FOR 4506424, TH100055)

1шт.

19

3073276

Line

(SUB FOR P60500 OR AT176387)

1шт.

20

3073277

Tube

(SUB FOR P61721)

1шт.

21

P64270

Hydraulic Hose

1шт.

Выбрано товаров: 13