Запчасти John Deere 10 223 - General Purpose Bucket 3302 Bucket With Teeth

Схема запчастей John Deere 10 - 223 - General Purpose Bucket 3302 Bucket With Teeth
FIT
1:1
100%

Артикул

Название

Примечание

Количество

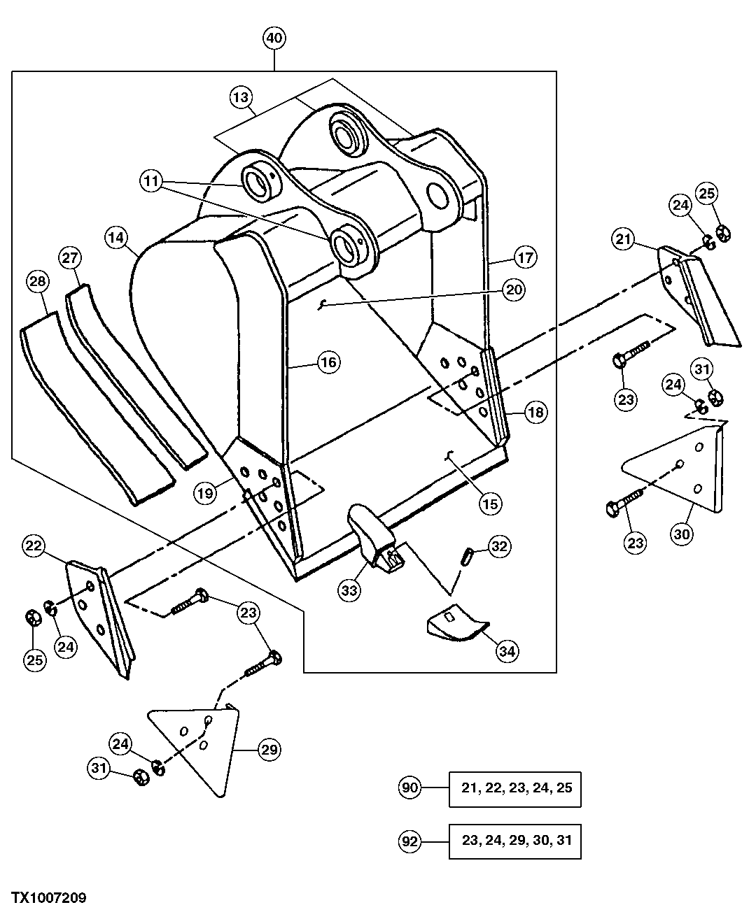
11

TH108649

Bushing

2шт.

13

C610778

Pivot

(F) (BUCKET EAR BLANK ASSEMBLY)

1шт.

14

607048

Plate

(F) (RH / LH)

2шт.

304403

Plate

(F) (RH / LH)(FOR USE WITH AT163573 42 INCH - .79 CUBIC YARD BUCKET ONLY)

2шт.

16

304954

Vertical Cutter

(F) (UPPER) (RH)

1шт.

305331

Vertical Cutter

(F) (UPPER) (RH) (FOR USE WITH AT16357 3 42 INCH - .79 CUBIC YARD BUCKET ONLY)

1шт.

17

304955

Vertical Cutter

(F) (UPPER) (LH)

1шт.

307186

Vertical Cutter

(F) (UPPER) (LH) (FOR USE WITH AT16357 3 42 INCH - .79 CUBIC YARD BUCKET ONLY)

1шт.

18

304953

Vertical Cutter

(F) (LH) Insert

1шт.

19

304952

Vertical Cutter

(F) (RH) Insert

1шт.

20

604667

Moldboard

(F) (24in. BUCKET)

1шт.

604669

Moldboard

(F) (30in. BUCKET)

1шт.

604670

Moldboard

(F) (36in. BUCKET)

1шт.

604671

Moldboard

(F) (42in. - .79 CUBIC YARD BUCKET)

1шт.

604671

Moldboard

(F) (42in. - .92 CUBIC YARD BUCKET)

1шт.

21

Cutting Edge

(SUB AT131080)

1шт.

22

Cutting Edge

(SUB AT131080)

1шт.

23

09H1770

Bolt

7/8" X 2-1/2"

6шт.

24

12H245

Lock Washer

7/8"

6шт.

25

14H1077

Nut

7/8"

6шт.

27

304966

Bar

(F) Inner Wear

1шт.

28

306618

Bar

(F) Outer Wear

2шт.

29

Shroud

(SUB (1) AT167874) Wear

1шт.

30

Shroud

(SUB (1) AT167874) Wear

1шт.

31

14H1044

Nut

7/8"

6шт.

32

TP160L

Spring Pin

5шт.

33

T109X220

Bucket Tooth Adapter

5шт.

34

TF220

Tooth

5шт.

40

Excavator Bucket

(24in. - .50 CUBIC YARD), (SUB FOR (1) AT163569 ) ((1) AT3390 23 NLA)( AT332657 NLA) (4 TEETH )

1шт.

Excavator Bucket

(30in. - .64 CUBIC YARD), (SUB FOR (1) AT163570 ) ((1) AT3390 25 NLA)( AT332658 NLA) (4 TEETH )

1шт.

Excavator Bucket

(36in. - .78 CUBIC YARD), (SUB FOR (1) AT163571 ) ( (1) AT33902 7 NLA)( AT332659 NLA) (5 TEETH)

1шт.

Excavator Bucket

(42in. - .92 CUBIC YARD), (SUB FOR (1) AT163574 ) ( (1) AT33902 9 NLA)( AT332660 NLA) (5 TEETH)

1шт.

90

End Bit

( AT131080 NLA)

1шт.

92

Kit

( AT167874 NLA) Edge Protector Kit

1шт.

Выбрано товаров: 34