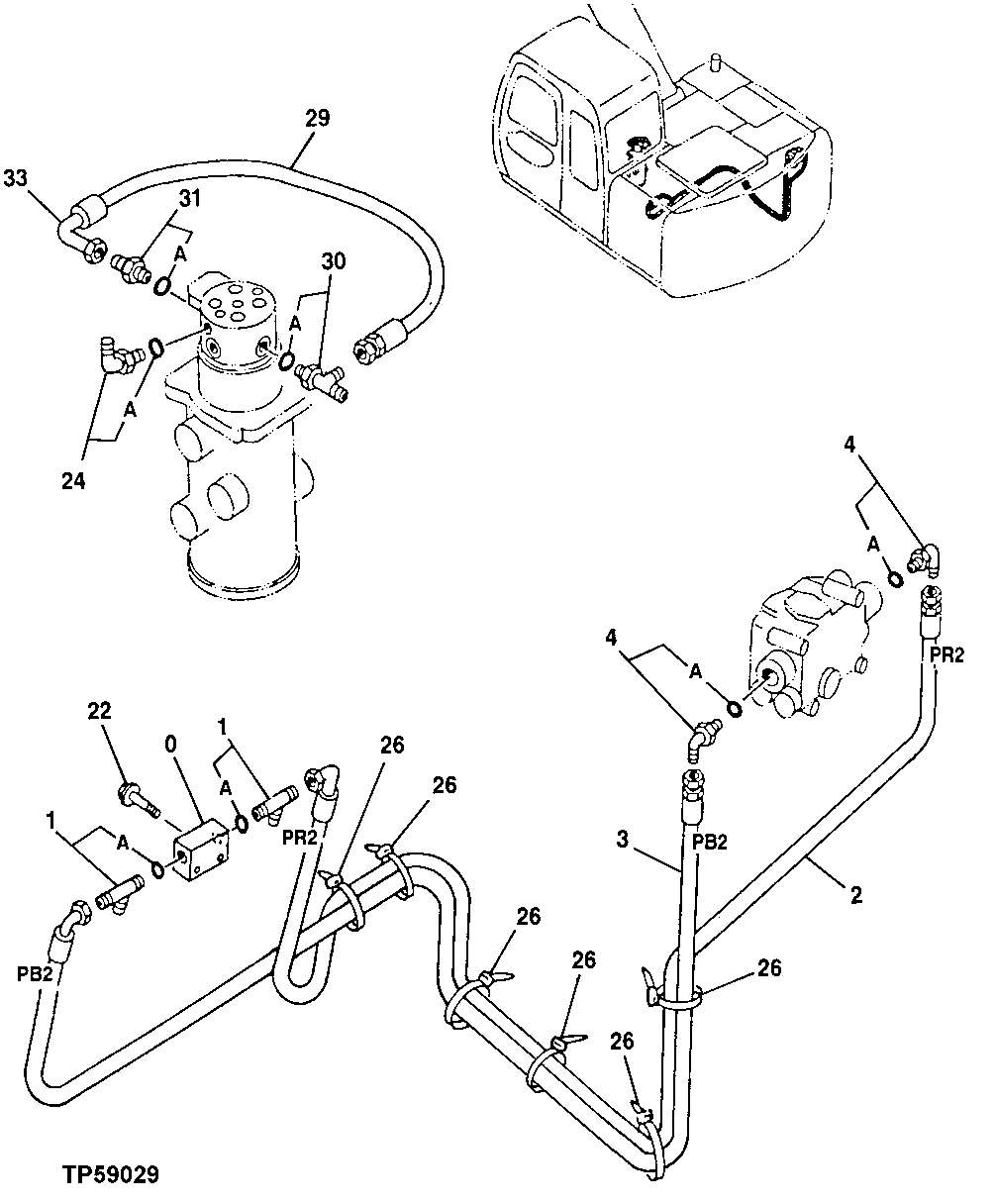
Запчасти John Deere 10 314 - BLADE PILOT FLOW CONTROL HYDRAULIC VALVE AND HOSES 3401 Blade

Схема запчастей John Deere 10 - 314 - BLADE PILOT FLOW CONTROL HYDRAULIC VALVE AND HOSES 3401 Blade
FIT
1:1
100%

Артикул

Название

Примечание

Количество

0

4203447

Flow Control Hyd. Valve

Shuttle SUB FOR AT126357

1шт.

1

4207300

Tee Fitting

SUB FOR AT126381

2шт.

1A

M800650

Packing

1шт.

2

AP35844

Hydraulic Hose

SUB FOR AP35204

1шт.

3

AP35199

Hydraulic Hose

1шт.

4

A852333

Elbow Fitting

SUB FOR TH101047; SUB FOR 4154671

2шт.

4A

CH11570

O-Ring

13.800 X 2.400 mm (0.543" X 3/32")

1шт.

22

19M7184

Cap Screw

M8 X 55

2шт.

Washer

12M7065 NLA

2шт.

24

4154670

Elbow Fitting

SUB FOR TH100951

1шт.

24A

M800650

Packing

1шт.

26

H77698

Tie Band

6шт.

29

AR84721

Hydraulic Hose

9/16" X 520 mm (20-1/2") X 9/16"

1шт.

30

4234371

Tee Fitting

SUB FOR AT126826

1шт.

30A

CH11570

O-Ring

13.800 X 2.400 mm (0.543" X 3/32")

1шт.

31

4200467

Adapter Fitting

SUB FOR TH108417

1шт.

31A

M800650

Packing

1шт.

33

AE24616

Elbow Fitting

1шт.

Выбрано товаров: 18