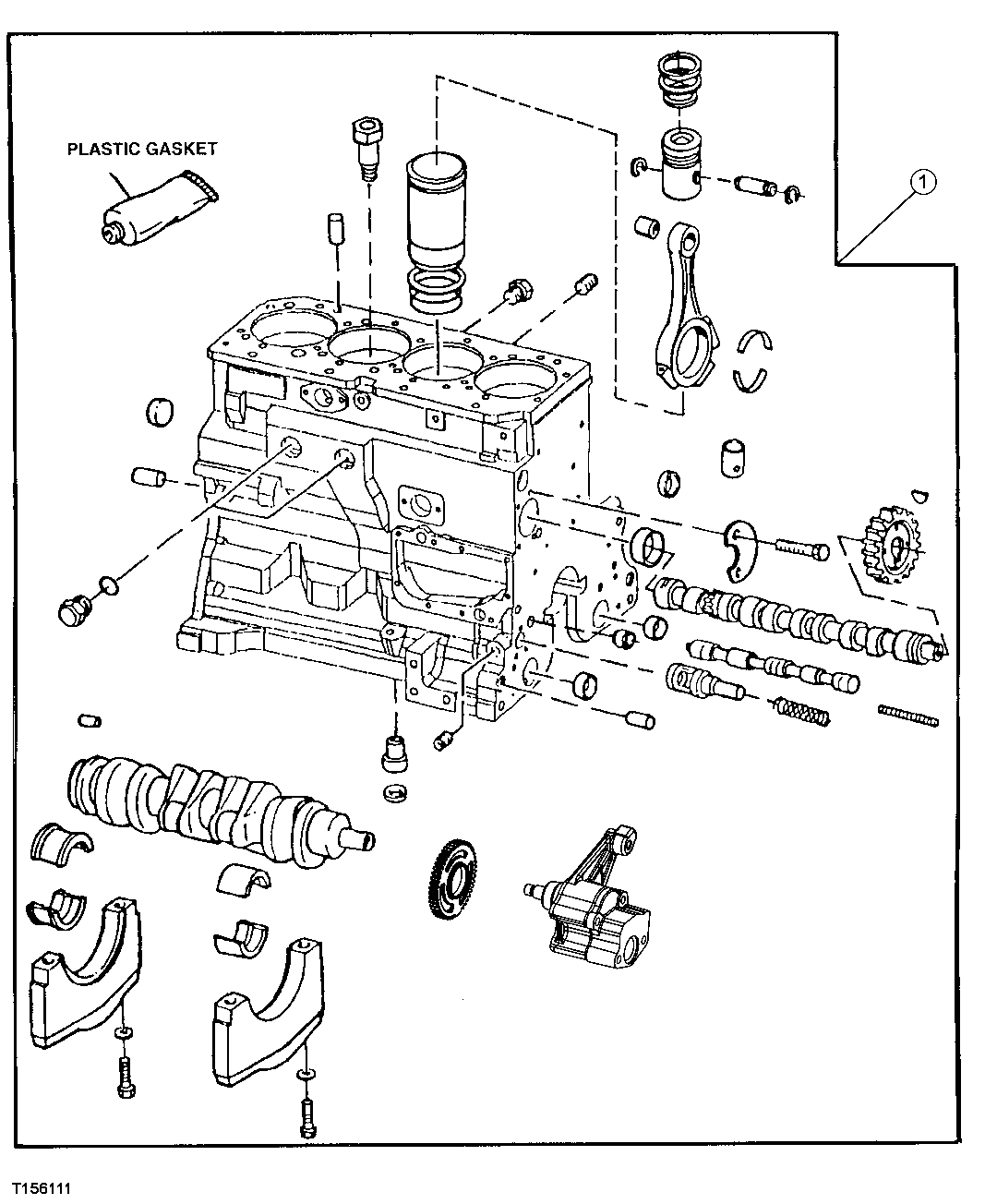
Запчасти John Deere 20 83 - ENGINE SHORT BLOCK (ESN -804732) ( - 804732) 0400B Engine T04045TT052 ( - 804732) T04045TT052

Схема запчастей John Deere 20 - 83 - ENGINE SHORT BLOCK (ESN -804732) ( - 804732) 0400B Engine T04045TT052 ( - 804732) T04045TT052
FIT
1:1
100%

Артикул

Название

Примечание

Количество

1

RE516101

Short Block Assembly

(MARKED R115081 ) (SUB FOR RE659 55)(DOES NOT INCLUDE FRONT PLATE)

1шт.

SE500721

Complete Block Assy Reman

(A) (T04045TT052)

1шт.

Выбрано товаров: 2