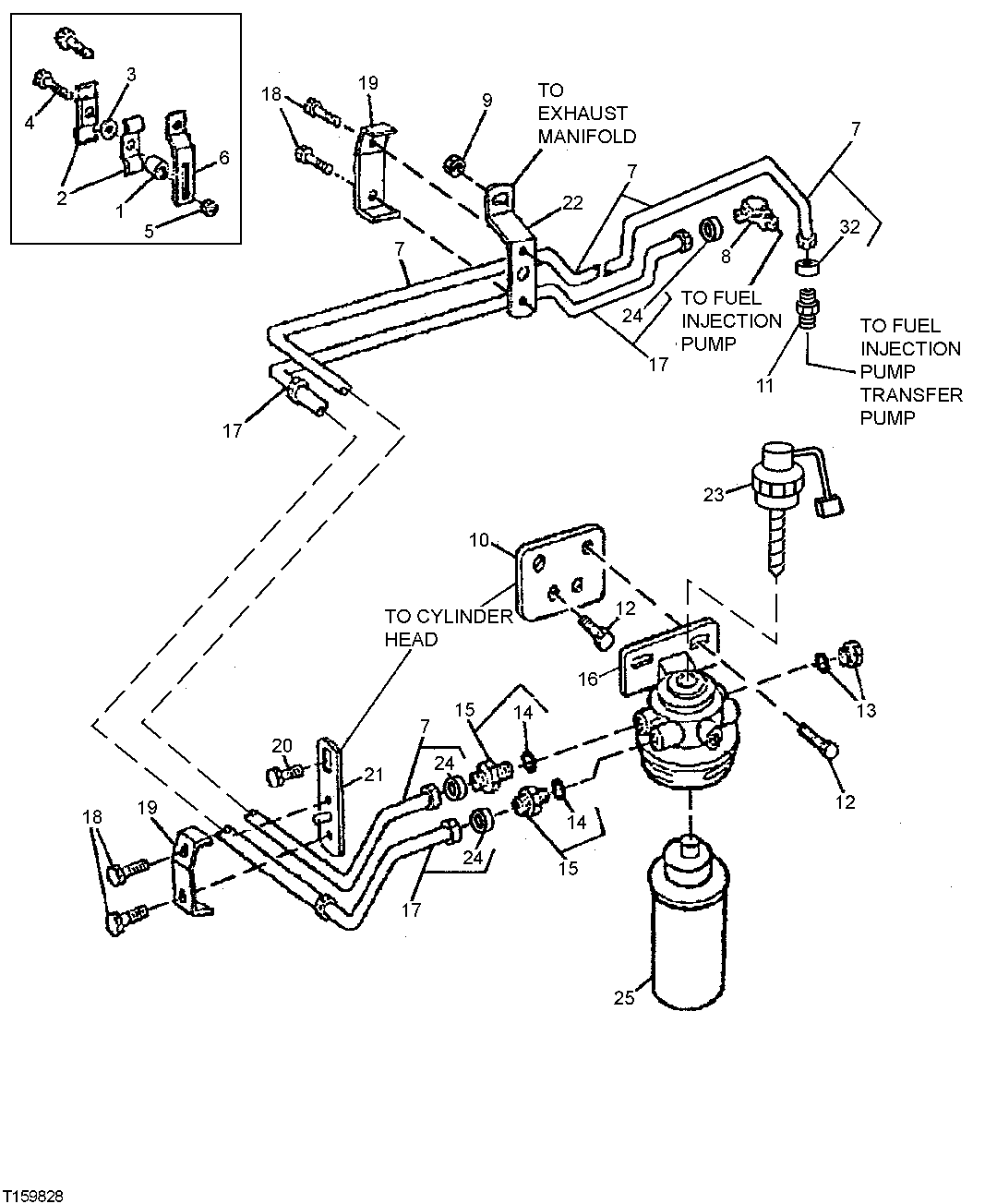
Запчасти John Deere 20 109 - FUEL LINES, FINAL FUEL FILTER 0400B Engine T04045TT052 ( - 804732) T04045TT052

Схема запчастей John Deere 20 - 109 - FUEL LINES, FINAL FUEL FILTER 0400B Engine T04045TT052 ( - 804732) T04045TT052
FIT
1:1
100%

Артикул

Название

Примечание

Количество

1

28H1517

Washer

0.493" X 0.675" X 1/4"

1шт.

2

R81004

Clamp

2шт.

3

24M7096

Washer

10.500 X 18 X 1.600 mm

1шт.

4

19M7868

Screw

M8 X 30

1шт.

5

19M7867

Screw

M8 X 25

1шт.

6

R131881

Bracket

1шт.

7

RE60176

Fuel Line

(INCLUDES (2) R67092)

1шт.

RE500461

Fuel Line

(INCLUDES (2) R67092)

1шт.

8

RE502174

Elbow Fitting

(SUB FOR RE60187)

1шт.

9

14M7298

Flange Nut

M8

1шт.

10

R123566

Bracket

1шт.

11

RE60031

Fitting

1шт.

12

19M7784

Screw

M10 X 20

4шт.

13

RE46686

Fitting

(M12 X 1.5)

2шт.

RE56323

Fitting Plug

(SAE)

ARшт.

14

R26286

O-Ring

4шт.

15

RE60030

Fitting

2шт.

16

Filter Head

(ORDER RE70358)( RE60022 NLA)

1шт.

17

RE60178

Fuel Line

1шт.

RE500462

Fuel Line

1шт.

18

19M7752

Cap Screw

M4 X 20

1шт.

19

R136082

Clamp

1шт.

20

19M7783

Screw

M10 X 16

1шт.

21

R504730

Bracket

(INCLUDES (2) R67092)

1шт.

22

R136079

Bracket

1шт.

23

RE504134

Heater

(24 VOLT TOP LOAD FUEL HEATER)

1шт.

24

R67092

Sealing Washer

4шт.

25

RE62419

Filter Element

1шт.

Выбрано товаров: 28