Запчасти John Deere 20 140 - OIL COOLER ADAPTER AND TUBES PE4045TP051(ESN 026620-151708) (026620 - 151708) 0400C PE4045TP051 (ESN 026620-151708) - 120 EXCAVATOR PE4045TP051 (026620 - 151708) PE4045TP051

Схема запчастей John Deere 20 - 140 - OIL COOLER ADAPTER AND TUBES PE4045TP051(ESN 026620-151708) (026620 - 151708) 0400C PE4045TP051 (ESN 026620-151708) - 120 EXCAVATOR PE4045TP051 (026620 - 151708) PE4045TP051
FIT
1:1
100%

Артикул

Название

Примечание

Количество

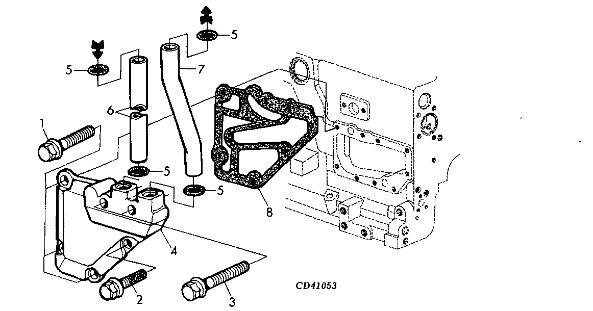
1

19M7802

Screw

M8 X 65

3шт.

2

RE67238

Screw

(WITH PRE-APPLIED SEALANT)

1шт.

3

19M7835

Screw

M10 X 35

2шт.

4

R501436

Adapter

1шт.

5

R56462

O-Ring

4шт.

6

RE502660

Tube

ENDING SERIAL NUMBER (REAR)

1шт.

RE506818

Tube

BEGINNING SERIAL NUMBER

1шт.

7

RE502661

Tube

ENDING SERIAL NUMBER (FRONT)

1шт.

RE506819

Tube

BEGINNING SERIAL NUMBER

1шт.

8

R502864

Gasket

(SUB FOR R123504)

1шт.

Выбрано товаров: 10