Запчасти John Deere 20 3 - FRONT IDLER (RUBBER TRACK) 0130 Track Systems

Схема запчастей John Deere 20 - 3 - FRONT IDLER (RUBBER TRACK) 0130 Track Systems
FIT
1:1
100%

Артикул

Название

Примечание

Количество

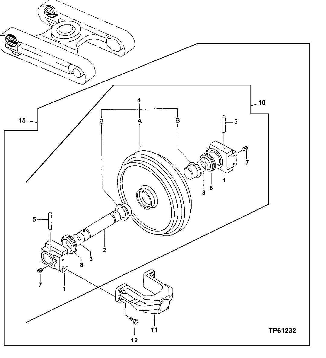
1

1020173

Bearing

(SUB FOR AT215833)

2шт.

2

3035618

Axle

(SUB FOR TH108854)

1шт.

3

CH11571

Packing

2шт.

4

9149166

Roller

(SUB FOR AT216536)

1шт.

4A

Idler

1шт.

4B

3069556

Bushing

(SUB FOR AT215857)

2шт.

5

4255804

Pin

18 X 97 mm (0.709" X 3. 819") (SUB FOR AT154230)

2шт.

7

942011

Fitting Plug

(SUB FOR 94-2011 AND TH100434)

2шт.

8

AT213829

Seal

(SUB FOR TH102359)

2шт.

10

Idler Sprocket

( AT184330, 9165602 NLA)

1шт.

11

1014798

Yoke

(SUB FOR AT154049)(QUANTI TY OF 1 EACH SIDE OF UNIT)

2шт.

12

19M8035

Cap Screw

M16 X 35 (QUANTITY OF 4 EACH SIDE OF UNIT)

8шт.

15

AP34538

Track Idler

(USE IF AVAILABLE) (IF AP34538 NOT AVA ILABLE, SUB AT184330 IDLER ASSEMBLY, A T154049 YOKE, AND (4) 19M8035 CAPSCREWS )

1шт.

Выбрано товаров: 13