Запчасти John Deere 20 177 - RADIATOR PARTS 0510 Engine Cooling Systems

Схема запчастей John Deere 20 - 177 - RADIATOR PARTS 0510 Engine Cooling Systems
FIT
1:1
100%

Артикул

Название

Примечание

Количество

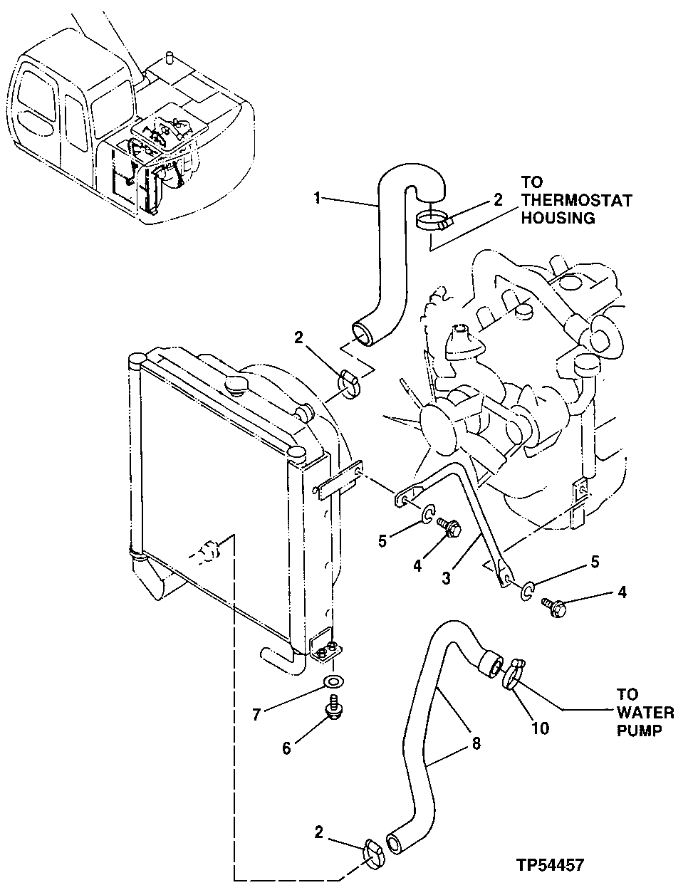
1

P60677

Hydraulic Hose

(FOR USE WITH T04045TT052 ENGINE W ITH ENGINE SERIAL NUMBERS -804732)

1шт.

P61115

Radiator Hose

(FOR USE WITH PE40455P052 ENGINE W ITH ENGINE SERIAL NUMBERS 026620- )

1шт.

2

AR21999

Hose Clamp

3шт.

3

P61948

Bracket

1шт.

4

19M8035

Cap Screw

M16 X 35

2шт.

5

12H294

Lock Washer

5/8"

2шт.

6

19M7403

Cap Screw

M12 X 35

4шт.

12M7058

Lock Washer

12 mm (SUB FOR 12M7067)

4шт.

7

24M7226

Washer

13 X 35 X 5 mm (SUB FOR 2 4M7345, THIS APPLICATION)

4шт.

8

P61111

Hose

(SUB FOR P60753)

1шт.

10

AR40418

Hose Clamp

1шт.

Выбрано товаров: 11