Запчасти John Deere 20 273 - SUCTION PIPINGS 2160 Vehicle Hydraulics

Схема запчастей John Deere 20 - 273 - SUCTION PIPINGS 2160 Vehicle Hydraulics
FIT
1:1
100%

Артикул

Название

Примечание

Количество

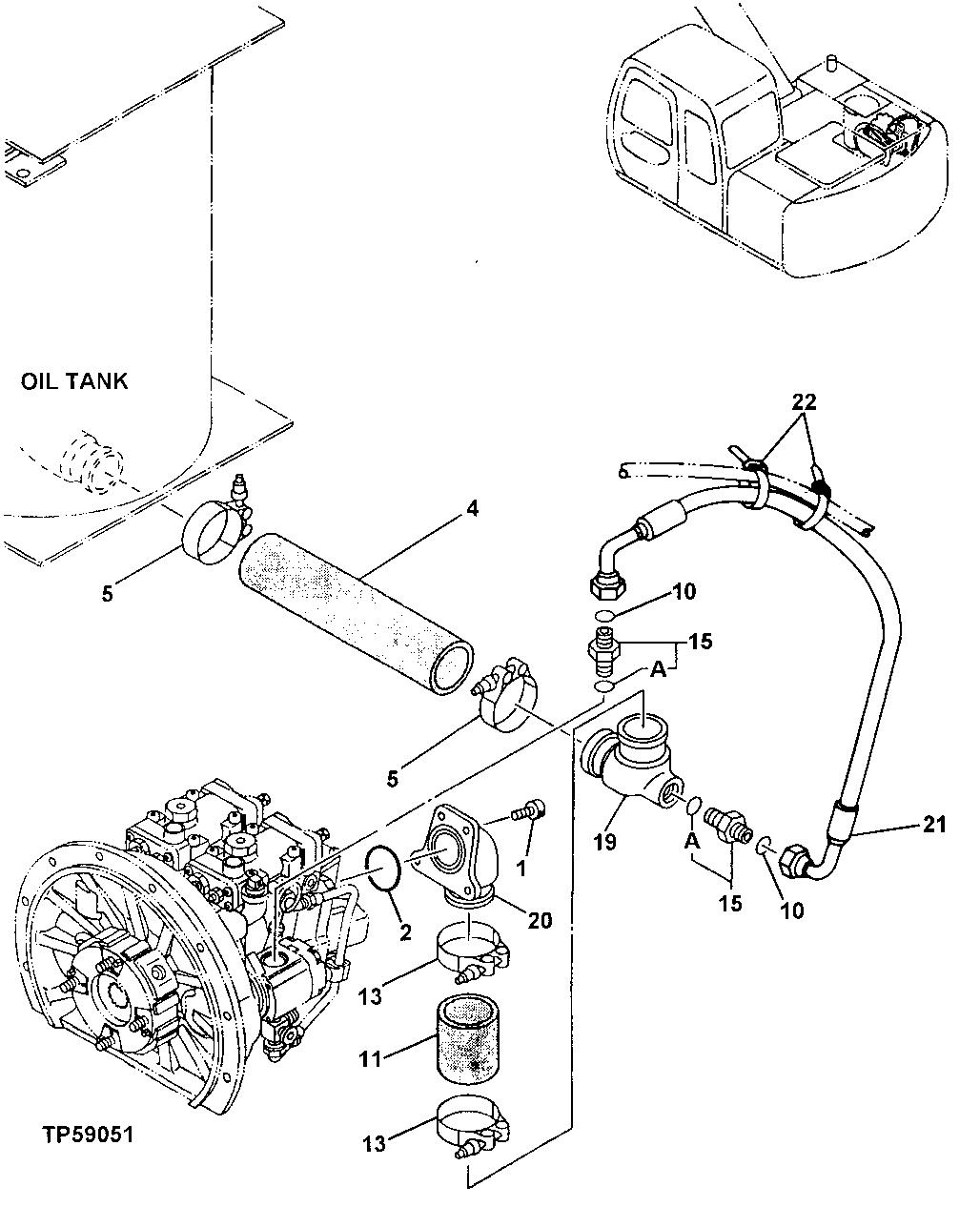
1

J781228

Bolt

(SUB FOR P61967 ) (SUB FOR AT214412)

4шт.

2

TH105684

O-Ring

74.400 X 3.100 mm (2.929" X 0.122")

1шт.

4

P68661

Hose

(SUB FOR P68663)(SUB FOR AP34517, ALONG WITH (2) AT37476) (CUT TO 430 MM LENGTH)

1шт.

5

AT37476

Hose Clamp

(SUB FOR AT43291, THIS APPLICATION)

2шт.

10

T77858

O-Ring

18.771 X 1.778 mm (0.739" X 0.070")

2шт.

11

P68661

Hose

(SUB FOR P68662)(SUB FOR AP34518, ALONG WITH (2) AT37476) (CUT TO 186 MM LENGTH)

1шт.

13

AT43291

Hose Clamp

(USE WITH AP34518)

2шт.

AT37476

Hose Clamp

(USE WITH P68662 OR P68661)

2шт.

15

A853166

Adapter Fitting

(SUB FOR AT107392 OR 4189619)

2шт.

15A

AT318035

O-Ring

(SUB FOR 4506424, TH100055)

1шт.

19

3073276

Line

(SUB FOR AT176387)

1шт.

20

3066335

Line

(SUB FOR AT202424)

1шт.

21

P64270

Hydraulic Hose

1шт.

22

H77698

Tie Band

2шт.

Выбрано товаров: 14