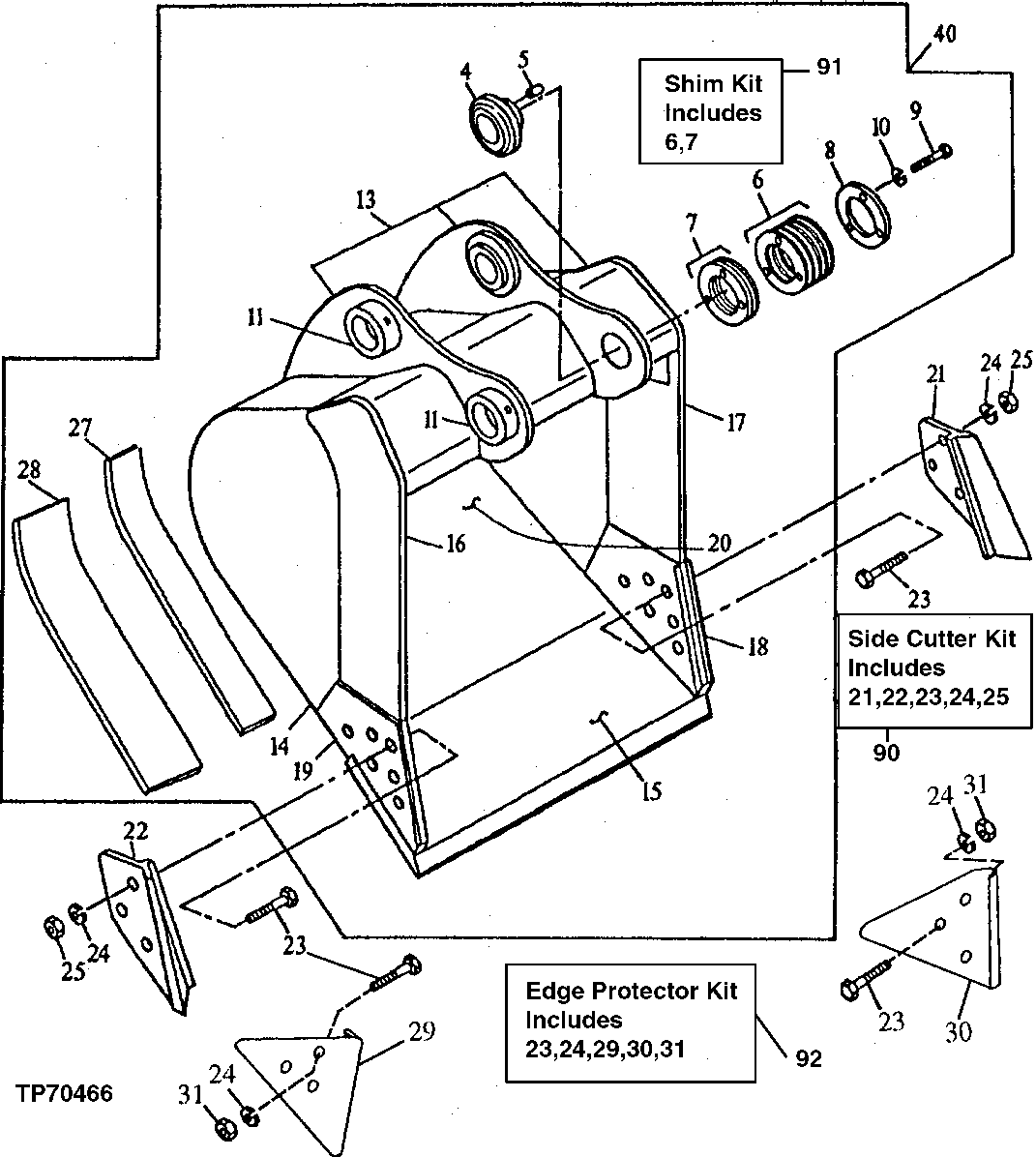
Запчасти John Deere 20 276 - Bucket (General Purpose) (Also Order Bucket Tooth Assemblies) 3302 BUCKETS, TEETH, SHANKS AND SIDECUTTERS

Схема запчастей John Deere 20 - 276 - Bucket (General Purpose) (Also Order Bucket Tooth Assemblies) 3302 BUCKETS, TEETH, SHANKS AND SIDECUTTERS
FIT
1:1
100%

Артикул

Название

Примечание

Количество

4

3028363

Bushing

(SUB FOR TH100346)

1шт.

5

4179109

Pin

(SUB FOR TH103619)

1шт.

6

Washer

(SUB AT146242)(K2) ( TH10 0348 NO LONGER AVAILABLE)

7шт.

7

Shim

(SUB AT146242)(K2) ( TH10 0349 NO LONGER AVAILABLE)

3шт.

8

Spacer

( TH100347 NLA)

1шт.

9

19M7404

Cap Screw

M14 X 40

3шт.

10

12H317

Lock Washer

9/16"

3шт.

11

TH108649

Bushing

2шт.

13

C610778

Pivot

(F) (BUCKET EAR BLANK ASSEMBLY)

1шт.

14

607048

Plate

(F) (RIGHT AND LEFT SIDE)

2шт.

304403

Plate

(F) (RIGHT AND LEFT SIDE) (FOR USE WITH AT 163573 42 INCH - .79 CUBIC YARD BUCKET ONLY)

2шт.

15

AT131081

Dura-Max Cutting Edge

(CUT TO LENGTH) (72 INCH LENGTH)

1шт.

16

304954

Vertical Cutter

(F) (UPPER RIGHT SIDE CUTTER)

1шт.

305331

Vertical Cutter

(F) (UPPER RIGHT SIDE CUTTER) (FOR USE WITH AT163573 42 INCH - .79 CUBIC YARD BUCKET ONLY)

1шт.

17

304955

Vertical Cutter

(F) (UPPER LEFT SIDE CUTTER)

1шт.

307186

Vertical Cutter

(F) (UPPER LEFT SIDE CUTTER) (FOR USE WITH AT163573 42 INC H - .79 CUBIC YARD BUCKET ONLY )

1шт.

18

304953

Vertical Cutter

(F) (LEFT SIDE CUTTER INSERT)

1шт.

19

304952

Vertical Cutter

(F) (RIGHT SIDE CUTTER INSERT)

1шт.

20

604664

Moldboard

(F) (18 INCH BUCKET)

1шт.

604667

Moldboard

(F) (24 INCH BUCKET)

1шт.

604669

Moldboard

(F) (30 INCH BUCKET)

1шт.

604670

Moldboard

(F) (36 INCH BUCKET)

1шт.

604671

Moldboard

(F) (42 INCH - .79 CUBIC YARD BUCKET)

1шт.

604671

Moldboard

(F) (42 INCH - .92 CUBIC YARD BUCKET)

1шт.

604672

Moldboard

(F) (48 INCH BUCKET)

1шт.

Выбрано товаров: 25