Запчасти John Deere 20 278 - General Purpose Bucket Assembly 3302 BUCKETS, TEETH, SHANKS AND SIDECUTTERS

Схема запчастей John Deere 20 - 278 - General Purpose Bucket Assembly 3302 BUCKETS, TEETH, SHANKS AND SIDECUTTERS
FIT
1:1
100%

Артикул

Название

Примечание

Количество

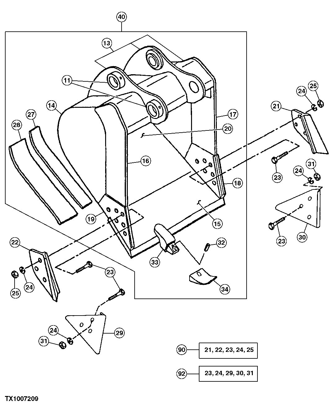
11

TH108649

Bushing

2шт.

13

C610778

Pivot

(F) (BUCKET EAR BLANK ASSEMBLY)

1шт.

14

607048

Plate

(F) (RH / LH)

2шт.

304403

Plate

(F) (RH / LH) (FOR USE WITH AT163573 42 INCH - .79 CUBIC YARD BUCKET ONLY)

2шт.

16

304954

Vertical Cutter

(F) (UPPER) (RH)

1шт.

305331

Vertical Cutter

(F) (UPPER) (RH) (FOR USE WITH AT16357 3 42 INCH - .79 CUBIC YARD BUCKET ONLY)

1шт.

17

304955

Vertical Cutter

(F) (UPPER) (LH)

1шт.

307186

Vertical Cutter

(F) (UPPER) (LH) (FOR USE WITH AT16357 3 42 INCH - .79 CUBIC YARD BUCKET ONLY)

1шт.

18

304953

Vertical Cutter

(F) (LH) (INSERT)

1шт.

19

304952

Vertical Cutter

(F) (RH) (INSERT)

1шт.

20

604667

Moldboard

(F) (24 INCH BUCKET)

1шт.

604669

Moldboard

(F) (30 INCH BUCKET)

1шт.

604670

Moldboard

(F) (36 INCH BUCKET)

1шт.

604671

Moldboard

(F) (42 INCH - .79 CUBIC YARD BUCKET)

1шт.

604671

Moldboard

(F) (42 INCH - .92 CUBIC YARD BUCKET)

1шт.

21

Cutting Edge

(SUB AT131080)

1шт.

22

Cutting Edge

(SUB AT131080)

1шт.

23

09H1770

Bolt

7/8" X 2-1/2"

6шт.

24

12H245

Lock Washer

7/8"

6шт.

25

14H1077

Nut

7/8"

6шт.

27

304966

Bar

(F) (INNER WEAR)

1шт.

28

306618

Bar

(F) (OUTER WEAR)

2шт.

29

Shroud

(SUB AT167874)(WEAR)

1шт.

30

Shroud

(SUB AT167874)(WEAR)

1шт.

31

14H1044

Nut

7/8"

6шт.

32

TP160L

Spring Pin

5шт.

33

T109X220

Bucket Tooth Adapter

5шт.

34

TF220

Tooth

5шт.

40

Excavator Bucket

(SUB FOR AT163569 ) (SUB AT339023)( AT33265 7 NLA) (24 INCH - .50 CUBIC YARD) (4 TEETH)

1шт.

Excavator Bucket

(SUB FOR AT163570 ) (SUB AT339025)( AT33265 8 NLA) (30 INCH - .64 CUBIC YARD) (4 TEETH)

1шт.

Excavator Bucket

(SUB FOR AT163571 ) (SUB AT339027)( AT33265 9 NLA) (36 INCH - .78 CUBIC YARD) (5 TEETH)

1шт.

Excavator Bucket

(SUB FOR AT163574 ) (SUB AT339029)( AT33266 0 NLA) (42 INCH - .92 CUBIC YARD) (5 TEETH)

1шт.

90

End Bit

( AT131080 NLA)

1шт.

92

Kit

( AT167874 NLA) (EDGE PROTECTOR KIT)

1шт.

Выбрано товаров: 0