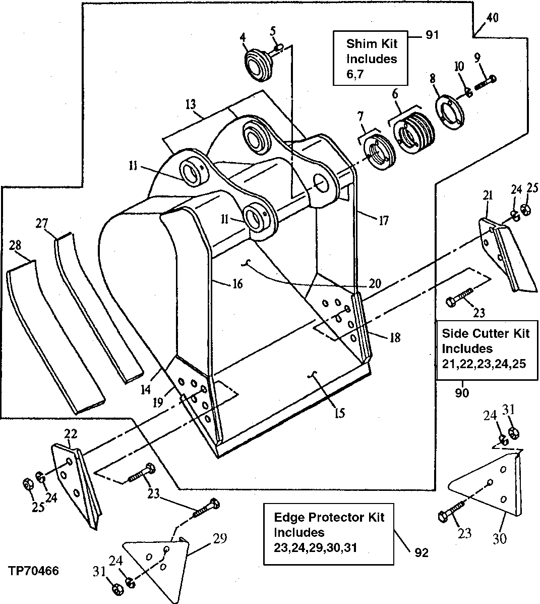
Запчасти John Deere 20 280 - Bucket (Heavy Duty) (Also Order Bucket Tooth Assemblies) 3302 BUCKETS, TEETH, SHANKS AND SIDECUTTERS

Схема запчастей John Deere 20 - 280 - Bucket (Heavy Duty) (Also Order Bucket Tooth Assemblies) 3302 BUCKETS, TEETH, SHANKS AND SIDECUTTERS
FIT
1:1
100%

Артикул

Название

Примечание

Количество

4

3028363

Bushing

(SUB FOR TH100346)

1шт.

5

4179109

Pin

(SUB FOR TH103619)

1шт.

6

Washer

(SUB AT146242)(K2) ( TH10 0348 NO LONGER AVAILABLE)

7шт.

7

Shim

(SUB AT146242)(K2) ( TH10 0349 NO LONGER AVAILABLE)

3шт.

8

Spacer

( TH100347 NLA)

1шт.

9

19M7404

Cap Screw

M14 X 40

3шт.

10

12H317

Lock Washer

9/16"

3шт.

11

TH108649

Bushing

2шт.

13

C610778

Pivot

(F) (BUCKET EAR BLANK ASSEMBLY)

1шт.

14

607048

Plate

(F) (RIGHT AND LEFT SIDE)

2шт.

15

AT131081

Dura-Max Cutting Edge

(CUT TO LENGTH)

1шт.

16

304960

Vertical Cutter

(F) (UPPER RIGHT SIDE CUTTER)

1шт.

17

304961

Vertical Cutter

(F) (UPPER LEFT SIDE CUTTER)

1шт.

18

304968

Vertical Cutter

(F) (LEFT SIDE CUTTER INSERT)

1шт.

19

304967

Vertical Cutter

(F) (RIGHT SIDE CUTTER INSERT)

1шт.

20

604647

Moldboard

(F) (18 INCH BUCKET)

1шт.

604650

Moldboard

(F) (24 INCH BUCKET)

1шт.

604652

Moldboard

(F) (30 INCH BUCKET)

1шт.

604653

Moldboard

(F) (36 INCH BUCKET)

1шт.

21

Cutting Edge

(K) (SUB AT131080)

1шт.

22

Cutting Edge

(K) (SUB AT131080)

1шт.

23

09H1770

Bolt

(K) 7/8" X 2-1/2" (K3)

6шт.

24

12H245

Lock Washer

(K) 7/8" (K3)

6шт.

25

14H1077

Nut

(K) 7/8"

6шт.

27

304966

Bar

(F) (INNER WEAR)

1шт.

28

306618

Bar

(F) (OUTER WEAR)

2шт.

29

Shroud

(WEAR SHROUD) (SUB AT167874 (K3))

1шт.

30

Shroud

(WEAR SHROUD) (SUB AT167874 (K3))

1шт.

31

14H1044

Nut

7/8" (K3)

6шт.

40

Excavator Bucket

( AT163576 NLA) (WHOLE GOODS) 18 INCH (34 CUBIC YARD) (AVAILABLE TOOTH ASSEMBLIES ON SEPARATE PAGE )

1шт.

Excavator Bucket

(SUB AT332661)( AT163577 NLA) (WHOLE GOODS) 24 INCH (50 CUBIC YARD) (AVAILA BLE TOOTH ASSEMBLIES ON SEPARATE PAGE)

1шт.

Excavator Bucket

(SUB AT332662)( AT163578 NLA) (WHOLE GOODS) 30 INCH (64 CUBIC YARD) (AVAILA BLE TOOTH ASSEMBLIES ON SEPARATE PAGE)

1шт.

Excavator Bucket

(SUB AT332663)( AT163579 NLA) (WHOLE GOODS) 36 INCH (78 CUBIC YARD) (AVAILA BLE TOOTH ASSEMBLIES ON SEPARATE PAGE)

1шт.

90

Kit

INCLUDES ALL (K1) PARTS ( AT131080 NLA)

1шт.

91

AT146242

Shim Kit

INCLUDES ALL (K2) PARTS

1шт.

92

Kit

( AT167874 NLA) INCLUDES ALL ( K3) PARTS (EDGE PROTECTOR KIT)

1шт.

Выбрано товаров: 0