Запчасти John Deere 20 281 - Bucket (Heavy Duty) 3302 BUCKETS, TEETH, SHANKS AND SIDECUTTERS

Схема запчастей John Deere 20 - 281 - Bucket (Heavy Duty) 3302 BUCKETS, TEETH, SHANKS AND SIDECUTTERS
FIT
1:1
100%

Артикул

Название

Примечание

Количество

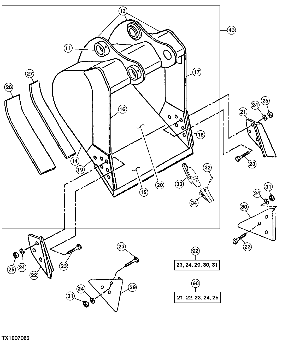
11

TH108649

Bushing

2шт.

13

C610778

Pivot

(F) (BUCKET EAR BLANK ASSEMBLY)

1шт.

14

607048

Plate

(F) (RH / LH)

2шт.

15

AT131081

Dura-Max Cutting Edge

(CUT TO LENGTH)

1шт.

16

304960

Vertical Cutter

(F) (UPPER) (RH)

1шт.

17

304961

Vertical Cutter

(F) (UPPER) (LH)

1шт.

18

304968

Vertical Cutter

(F) (LH)

1шт.

19

304967

Vertical Cutter

(F) (RH)

1шт.

20

604650

Moldboard

(F) (24 INCH BUCKET)

1шт.

604652

Moldboard

(F) (30 INCH BUCKET)

1шт.

604653

Moldboard

(F) (36 INCH BUCKET)

1шт.

21

Cutting Edge

(SUB AT131080)

1шт.

22

Cutting Edge

(SUB AT131080)

1шт.

23

09H1770

Bolt

7/8" X 2-1/2"

6шт.

24

12H245

Lock Washer

7/8"

6шт.

25

14H1077

Nut

7/8"

6шт.

27

304966

Bar

(F) (INNER WEAR)

1шт.

28

306618

Bar

(F) (OUTER WEAR)

2шт.

29

Shroud

(SUB AT167874)(WEAR)

1шт.

30

Shroud

(SUB AT167874)(WEAR)

1шт.

31

14H1044

Nut

7/8"

6шт.

32

TP160L

Spring Pin

1шт.

33

T109X220

Bucket Tooth Adapter

1шт.

34

TF220

Tooth

1шт.

40

Excavator Bucket

(SUB FOR AT163577 ) (SUB AT339031)( AT33266 1 NLA) (24 INCH - .50 CUBIC YARD) (4 TEETH)

1шт.

Excavator Bucket

(SUB FOR AT163578 ) (SUB AT339033)( AT33266 2 NLA) (30 INCH - .64 CUBIC YARD) (4 TEETH)

1шт.

Excavator Bucket

(SUB FOR AT163579 ) (SUB AT339035)( AT33266 3 NLA) (36 INCH - .78 CUBIC YARD) (5 TEETH)

1шт.

90

Kit

( AT131080 NLA)

1шт.

92

Kit

( AT167874 NLA)

1шт.

Выбрано товаров: 0