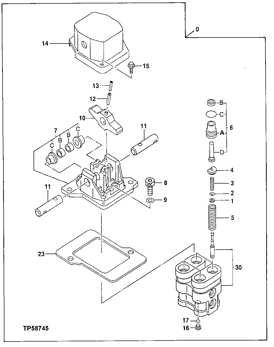
Запчасти John Deere 20 296 - Propel Pilot Valve 3315 Control Linkage

Схема запчастей John Deere 20 - 296 - Propel Pilot Valve 3315 Control Linkage
FIT
1:1
100%

Артикул

Название

Примечание

Количество

0

9151782

Flow Control Hyd. Valve

(SUB FOR AT216017)

1шт.

1

4319299

Spacer

(SUB FOR AT215885)

4шт.

2

4662206

Shim

(SUB FOR 4203411)

12шт.

3

4368629

Compression Spring

(SUB FOR AT215954)

4шт.

4

4364970

Guide

(SUB FOR AT215948)

4шт.

5

4368630

Compression Spring

(SUB FOR AT215955)

4шт.

6

9151724

Plunger

(41MM OD) (SUB FOR AT216016)

4шт.

6A

Bushing

( AT217942 NO LONGER AVAILABLE)

1шт.

6B

4447050

Seal

(SUB FOR 4335047 OR AT215897)

1шт.

6C

CH11562

O-Ring

1шт.

6D

3072517

Plunger

(SUB FOR AT215869)

1шт.

7

9144133

Holder

(SUB FOR AT216007)

1шт.

7B

4238834

Bushing

(SUB FOR TH111963)

2шт.

7C

4274716

Bushing

(SUB FOR AT154947)

2шт.

8

19M7576

Screw

M10 X 30 (SUB FOR AT213614 OR J781030)

2шт.

9

12M7066

Lock Washer

10 mm

2шт.

10

3072012

Cam

(SUB FOR AT181980)

2шт.

11

4190983

Pin Fastener

(SUB FOR TH109244)

2шт.

12

34M7225

Spring Pin

8 X 28 mm (SUB FOR 34M6402)

2шт.

13

4213419

Spring Pin

(SUB FOR TH111654)

2шт.

14

2037988

Cover

(SUB FOR AT215851)

1шт.

15

19M7923

Cap Screw

M6 X 12

2шт.

12M7006

Lock Washer

6 mm

2шт.

24M7054

Washer

6.400 X 12 X 1.600 mm

2шт.

16

4208977

Drain Plug

(SUB FOR TH111351)

1шт.

17

CH11561

Packing

1шт.

23

4357063

Plate

(SUB FOR AT215932)

1шт.

30

Housing

(SUB FOR AT216001)( 8063718 NLA)

1шт.

Выбрано товаров: 28