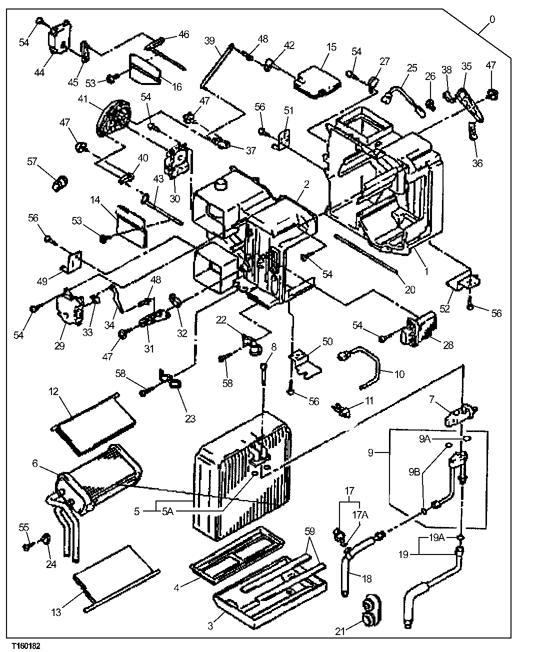
Запчасти John Deere 20C 131 - HEATER AND AIR CONDITIONER UNIT COMPONENTS 1830 HEATING AND AIR CONDITIONING

Схема запчастей John Deere 20C - 131 - HEATER AND AIR CONDITIONER UNIT COMPONENTS 1830 HEATING AND AIR CONDITIONING
FIT
1:1
100%

Артикул

Название

Примечание

Количество

0

4431079

Air Conditioner

Complete Includes Blower Motor, Fan and Ther mostat (INCLUDES ALL PARTS ON THIS PAGE - ADD ITIONAL COMPONENTES LISTED ON HVAC FAN PAGE)

1шт.

1

4475264

Case

1шт.

2

4475265

Case

1шт.

3

4475283

Case

1шт.

4

4475284

Plate

1шт.

5

4469056

Evaporator

1шт.

5A

4297380

O-Ring

SUB FOR 4622346, 46748 83, 4350206 OR 4509180

2шт.

6

4469057

Core

1шт.

7

4465995

Flow Control Hyd. Valve

1шт.

8

4475285

Bolt

2шт.

9

4475286

Structural Tube

1шт.

9A

4297380

O-Ring

SUB FOR 4622346, 4674883, 4450206, 4350206 OR 4509180

1шт.

9B

CH11568

Packing

SUB FOR 4350187 AND 4226445

2шт.

10

4469058

Thermostat

1шт.

11

4475287

Clip

2шт.

12

4475288

Door

1шт.

13

4475289

Door

1шт.

14

4475290

Door

1шт.

15

4475291

Pulley With Dampener

1шт.

16

4475345

Door

1шт.

17

4469059

Switch

(PRESSURE)

1шт.

17A

4475346

O-Ring

1шт.

18

4475347

Hose

1шт.

19

4475348

Hose

1шт.

19A

4297380

O-Ring

SUB FOR 4622346, 46748 83, 4350206 OR 4509180

1шт.

20

4475349

Packing

1шт.

21

4475350

Isolator

1шт.

22

4475351

Clip

1шт.

23

4475352

Clip

1шт.

24

4475353

Bracket

1шт.

25

4418144

Thermostat

1шт.

26

4418143

Clamp

1шт.

27

4418142

Bracket

1шт.

28

4469060

Integrated Circuit

1шт.

29

4469061

Motor

1шт.

30

4469062

Motor

1шт.

31

4475364

Plate

1шт.

32

4475365

Lever

1шт.

33

4475366

Lever

1шт.

34

4475367

Rod

1шт.

35

4475368

Plate

1шт.

36

4475369

Lever

1шт.

37

4475370

Plate

1шт.

38

4475371

Lever

1шт.

39

4475372

Rod

1шт.

40

4475399

Plate

1шт.

41

4475400

Plate

1шт.

42

4475401

Lever

1шт.

43

4475402

Lever

1шт.

44

4469063

Motor

1шт.

45

4475403

Lever

1шт.

46

4475404

Lever

1шт.

47

4475405

Bolt

(TAPPING SCREW)

4шт.

48

4469047

Clamp

2шт.

49

4475406

Bracket

1шт.

50

4475407

Bracket

1шт.

51

4475430

Bracket

1шт.

52

4475431

Bracket

1шт.

53

4475432

Bolt

4шт.

54

4382883

Screw

(TAPPING)

23шт.

55

4236448

Screw

1шт.

56

4382882

Bolt

(TAPPING SCREW)

8шт.

57

4475433

Bushing

1шт.

58

4475434

Bolt

(TAPPING SCREW)

2шт.

59

4475435

Packing

2шт.

Выбрано товаров: 65