Запчасти John Deere 20C 225 - HYDRAULIC RESERVOIR TO PUMP LOW PRESSURE HOSES AND LINES 3363 LINES, HOSES & FITTINGS

Схема запчастей John Deere 20C - 225 - HYDRAULIC RESERVOIR TO PUMP LOW PRESSURE HOSES AND LINES 3363 LINES, HOSES & FITTINGS
FIT
1:1
100%

Артикул

Название

Примечание

Количество

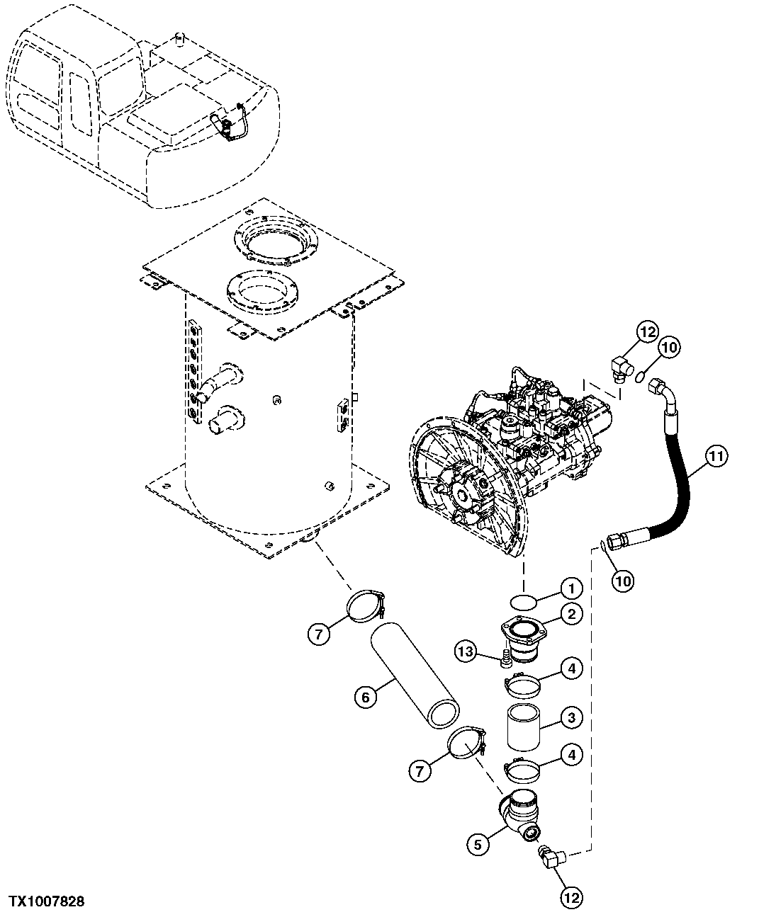
1

TH105684

O-Ring

(SUB FOR A811075)

1шт.

2

3087133

Line

1шт.

3

P68661

Hose

(SUB FOR P67788 OR P6830 8)(CUT TO LENGTH, 214 MM)

1шт.

4

AT37476

Hose Clamp

2шт.

5

3073276

Line

1шт.

6

P67787

Hose

1шт.

7

AT43291

Hose Clamp

2шт.

10

T77858

O-Ring

2шт.

11

4217388

Hydraulic Hose

(SUB FOR AT202096)

1шт.

12

A853366

Elbow Fitting

2шт.

AT318035

O-Ring

(SUB FOR 4506424)

1шт.

13

19M8169

Screw

M12 X 30 (SUB FOR J781230)

4шт.

Выбрано товаров: 12