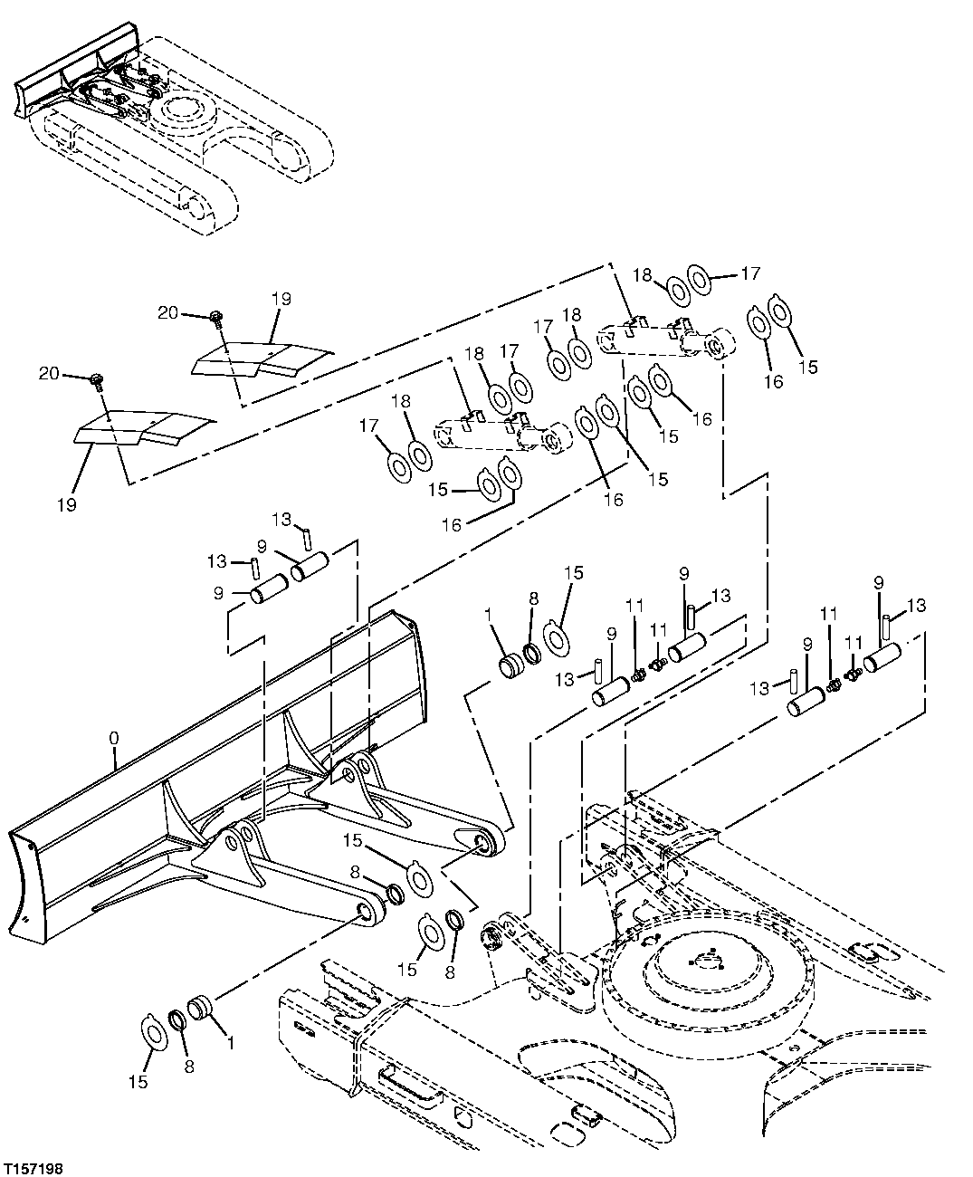
Запчасти John Deere 20C 272 - BLADE, MOUNTS, AND CYLINDER COVERS 3401 BLADES

Схема запчастей John Deere 20C - 272 - BLADE, MOUNTS, AND CYLINDER COVERS 3401 BLADES
FIT
1:1
100%

Артикул

Название

Примечание

Количество

0

AP38576

Blade

(WITH 600MM SHOES, 2590MM WIDE) (SUB FOR DH700120)

1шт.

AP39225

Blade

(WITH 700MM SHOES, 2690MM WIDE) (SUB FOR DH700119)

1шт.

T211450

Cutting Edge

(WELD ON CUTTING EDGE) (CUT TO LENGTH)

1шт.

1

4376210

Bushing

2шт.

8

TH104472

Seal

(SUB FOR 4084578)

4шт.

9

4348569

Pin Fastener

6шт.

11

TH100074

Lubrication Fitting

6шт.

13

P61796

Bolt

M20 X 160

6шт.

14M7277

Nut

M20

12шт.

15

P61821

Plate

8шт.

16

P61822

Plate

4шт.

17

4366692R

Thrust Washer

(SUB FOR 4366692)

4шт.

18

4367410R

Thrust Washer

(SUB FOR 4367410)

4шт.

19

3091704

Cover

2шт.

20

19M8011

Cap Screw

M12 X 30

4шт.

12M7067

Lock Washer

12 mm

4шт.

24M7047

Washer

13 X 24 X 2.500 mm

4шт.

Выбрано товаров: 17