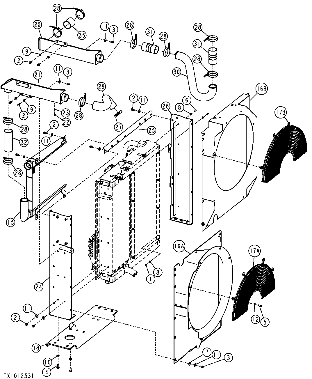
Запчасти John Deere 35C RTS 169 - Cooling Package Hoses and Mounting 0510 ENGINE COOLING SYSTEMS

Схема запчастей John Deere 35C RTS - 169 - Cooling Package Hoses and Mounting 0510 ENGINE COOLING SYSTEMS
FIT
1:1
100%

Артикул

Название

Примечание

Количество

1

14M7273

Nut

M8

8шт.

2

19M7784

Screw

M10 X 20

20шт.

3

19M7785

Screw

M10 X 25

9шт.

4

19M7789

Screw

M12 X 30

7шт.

5

19M7868

Screw

M8 X 30

4шт.

6

19M7881

Screw

M8 X 20

8шт.

7

24H1330

Washer

15/32" X 1-3/8" X 7/64"

7шт.

8

24M7238

Washer

8.700 X 17 X 2 mm

16шт.

9

24M7239

Washer

10.700 X 21 X 2.500 mm

4шт.

10

24M7240

Washer

13 X 25 X 3 mm

7шт.

11

24M7296

Washer

10.500 X 30 X 2.500 mm

22шт.

12

24M7298

Washer

8.400 X 25 X 2 mm

4шт.

15

AT180599

Air Cooler

1шт.

16A

AT180605

Shroud

1шт.

16B

AT321148

Shroud

High Ambient

1шт.

17A

AT180606

Guard

1шт.

17B

AT309478

Guard

High Ambient

1шт.

18

AT180607

Channel

1шт.

20

AT182287

Air Plenum

1шт.

21

AT191533

Air Plenum

1шт.

22

RE60071

Fitting

1шт.

23

51M7039

O-Ring

8.100 X 1.600 mm

1шт.

24

AT195847

Support

1шт.

25

AT195850

Support

1шт.

26

AT197727

Support

1шт.

27

AT198270

Clamp

1шт.

28

AT301456

Clamp

9шт.

29

T190417

Hose

1шт.

30

T200374

Air Flow Tube

1шт.

31

T201908

Hose

2шт.

32

T161959

Hose

1шт.

35

T190410

Hose

1шт.

Выбрано товаров: 32