Запчасти John Deere 35C RTS 279 - CAB SIDE DOOR ENTRY HINGE 1810 OPERATOR ENCLOSURE

Схема запчастей John Deere 35C RTS - 279 - CAB SIDE DOOR ENTRY HINGE 1810 OPERATOR ENCLOSURE
FIT
1:1
100%

Артикул

Название

Примечание

Количество

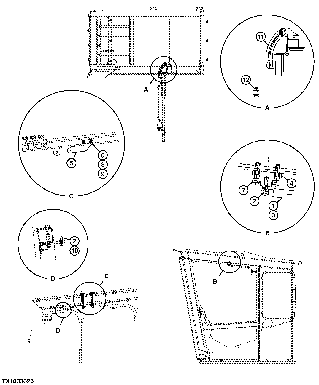
1

AT192449

Cylinder

1шт.

2

T142651

Ball Stud

2шт.

3

56M7007

Ball Joint Retainer

2шт.

4

FF101976R

Bracket

(SUB FOR FF101976)

1шт.

5

FF101975R

Bracket

(SUB FOR FF101975)

1шт.

6

19M7875

Cap Screw

M10 X 70

2шт.

7

19M8337

Screw

M10 X 30

2шт.

8

24M7136

Washer

10.500 X 27 X 2 mm

2шт.

10

N209131

Lock Nut

1шт.

11

FF102016R

Plate

(SUB FOR FF102016)

1шт.

12

Screw With Washer

(NLA)

1шт.

Выбрано товаров: 0