Запчасти John Deere 35C RTS 359 - SIDE ENTRY CAB AIR CONDITIONER AND HEATER HOSE CLAMPS (WITH 7" RISER CAB) 1830B SIDE ENTRY CAB HEATING AND AIR CONDITIONING

Схема запчастей John Deere 35C RTS - 359 - SIDE ENTRY CAB AIR CONDITIONER AND HEATER HOSE CLAMPS (WITH 7" RISER CAB) 1830B SIDE ENTRY CAB HEATING AND AIR CONDITIONING
FIT
1:1
100%

Артикул

Название

Примечание

Количество

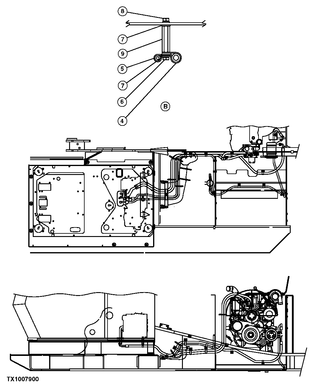
4

XCL-17

Hose Clamp

(SUB FOR FFSB105439)

1шт.

5

F053301

Holder

( FFSB102835 NLA)

1шт.

6

19M7938

Cap Screw

M10 X 20 (SUB FOR FFSB107124)

1шт.

7

24M7096

Washer

10.500 X 18 X 1.600 mm (SUB FOR FFSB107709)

2шт.

8

19M7402

Cap Screw

M10 X 25 (SUB FOR FFSB107461)

1шт.

24M7296

Washer

10.500 X 30 X 2.500 mm (SUB FOR FFSB107461)

1шт.

12M7066

Lock Washer

10 mm (SUB FOR FFSB107461)

1шт.

9

FFSB107369

Nut

1шт.

Выбрано товаров: 8