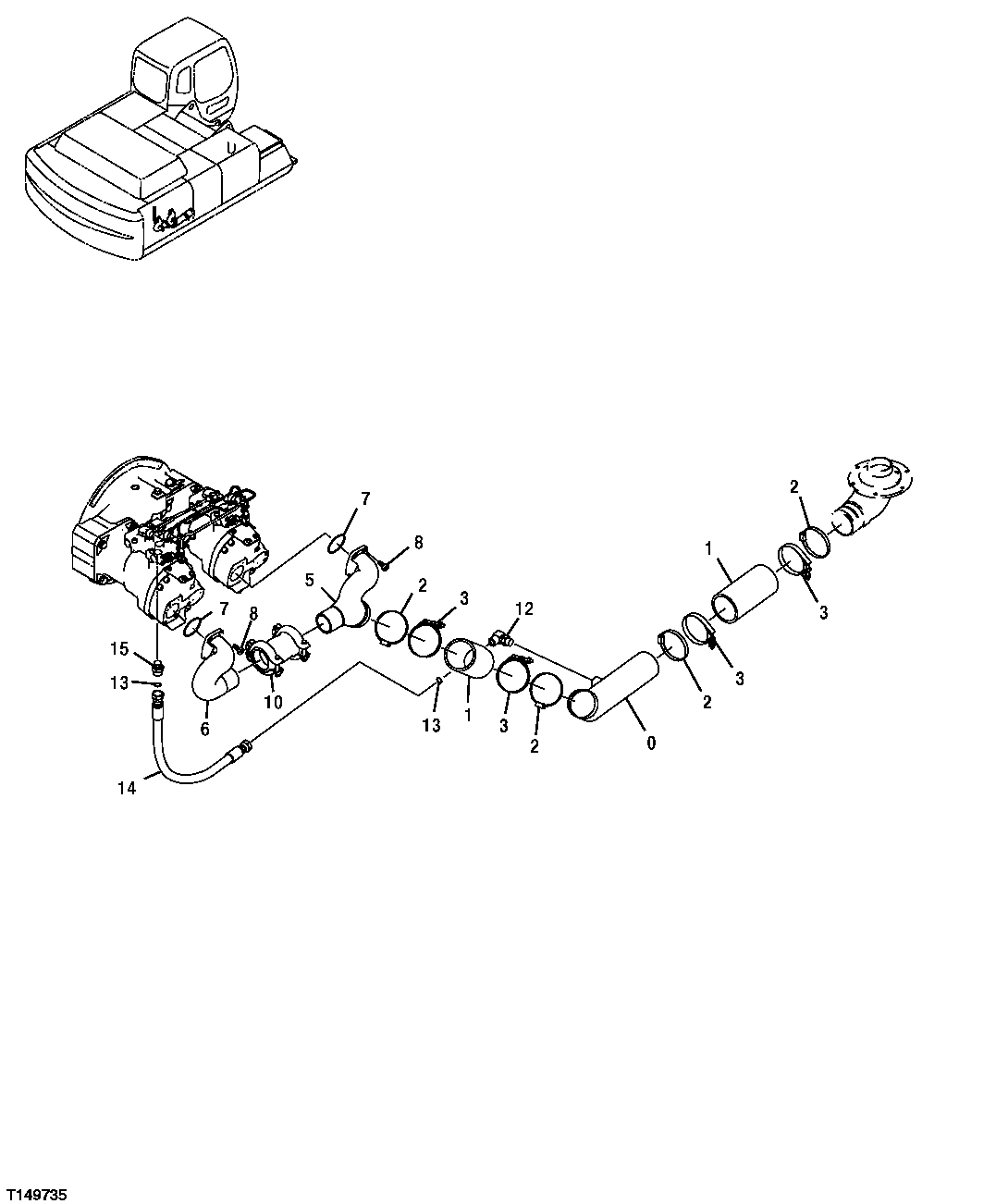
Запчасти John Deere 35C RTS 447 - HYDRAULIC RESERVOIR TO HYDRAULIC PUMP SUCTION HOSES AND LINES 2160 VEHICLE HYDRAULICS

Схема запчастей John Deere 35C RTS - 447 - HYDRAULIC RESERVOIR TO HYDRAULIC PUMP SUCTION HOSES AND LINES 2160 VEHICLE HYDRAULICS
FIT
1:1
100%

Артикул

Название

Примечание

Количество

0

7040892

Line

1шт.

1

4440302

Hose

2шт.

2

TY22476

Clamp

4шт.

3

AT56657

Hose Clamp

4шт.

5

1026262

Manifold

1шт.

6

1026258

Manifold

1шт.

7

TH105684

O-Ring

2шт.

8

J781228

Bolt

8шт.

10

4071215

Coupling

SUB FOR FXV00000007

1шт.

10A

Seal

SUB TO FXV00000007, 4196267 NLA

2шт.

12

A853366

Elbow Fitting

1шт.

12A

AT318035

O-Ring

SUB FOR 4506424

1шт.

13

T77858

O-Ring

2шт.

14

AT107220

Hydraulic Hose

30.1752" X 773 mm (30-1/2") X 30.1752"

1шт.

15

4189539

Adapter Fitting

1шт.

15A

AT318035

O-Ring

SUB FOR 4506424

1шт.

Выбрано товаров: 16