Запчасти John Deere 35C RTS 451 - HYDRAULIC RESERVOIR VENT HOSES AND SWITCH 2160 VEHICLE HYDRAULICS

Схема запчастей John Deere 35C RTS - 451 - HYDRAULIC RESERVOIR VENT HOSES AND SWITCH 2160 VEHICLE HYDRAULICS
FIT
1:1
100%

Артикул

Название

Примечание

Количество

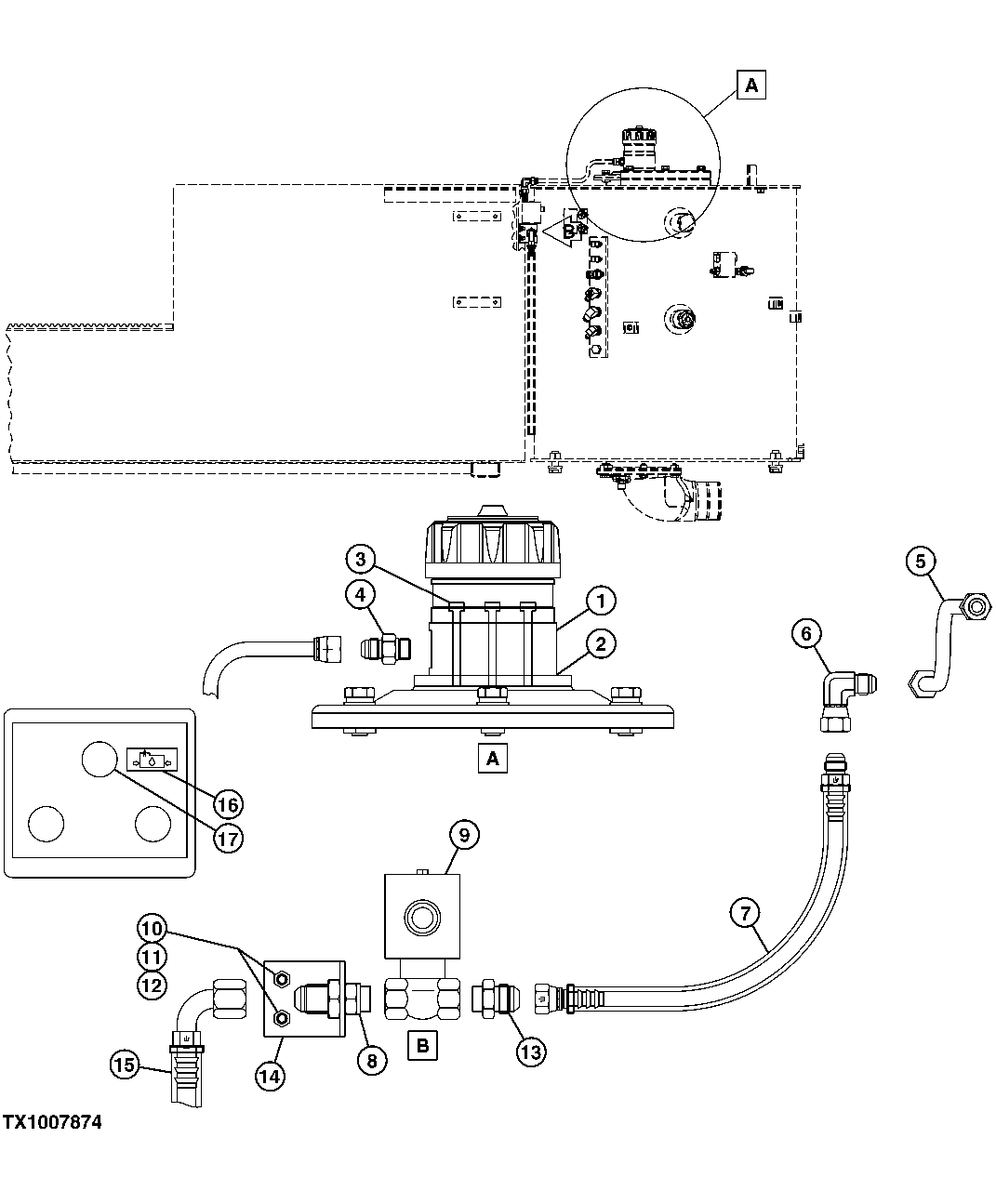
1

FFSB110339

Spacer

1шт.

2

4222876

Packing

(SUB FOR FFSB110340)

1шт.

3

21M7481

Screw

M5 X 50 (SUB FOR FFSB110639)

3шт.

4

X6F5OX-S

Adapter Fitting

(SUB FOR FFSB110348)

1шт.

5

FFSB112817

Structural Tube

1шт.

6

AE24616

Elbow Fitting

(SUB FOR FFSB109444)

1шт.

7

FFSB112818

Hydraulic Hose

1шт.

8

X8WFTX-S

Adapter Fitting

(SUB FOR FFSB104383)

1шт.

9

FFSB108340

Flow Control Hyd. Valve

1шт.

10

14M7303

Flange Nut

M6 (SUB FOR FFSB108288)

2шт.

11

12M7006

Lock Washer

6 mm (SUB FOR FFSB107439)

2шт.

12

24M7054

Washer

6.400 X 12 X 1.600 mm (SUB FOR FFSB107438)

2шт.

13

X6-6FTX-S

Adapter Fitting

(SUB FOR FFSB102171)

1шт.

14

FFSB104382

Bracket

1шт.

15

FFSB110351

Hydraulic Hose

1шт.

16

T186593

Label

(SUB FOR FFSB108019)

1шт.

17

4384759

Switch

(SUB FOR FFSB108212)

1шт.

Выбрано товаров: 0