Запчасти John Deere 35C RTS 459 - SEVERE DUTY PLATE LIP BUCKET (ALSO ORDER BUCKET TOOTH ASSEMBLIES) 3302 BUCKET WITH TEETH

Схема запчастей John Deere 35C RTS - 459 - SEVERE DUTY PLATE LIP BUCKET (ALSO ORDER BUCKET TOOTH ASSEMBLIES) 3302 BUCKET WITH TEETH
FIT
1:1
100%

Артикул

Название

Примечание

Количество

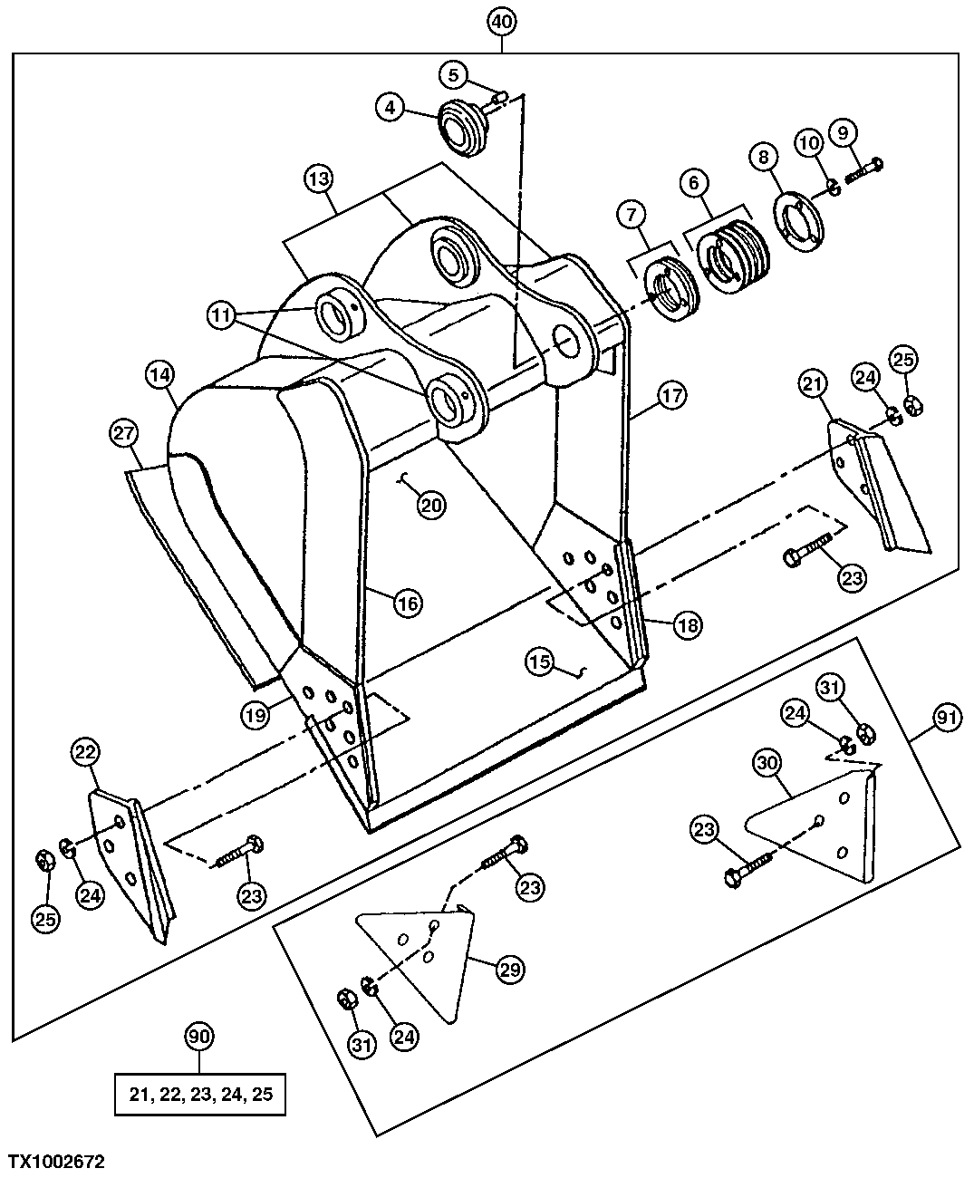
4

4143522

Bushing

(SUB FOR TH103234)

1шт.

5

4179110

Pin

(SUB FOR TH103520)

1шт.

6

4143524

Washer

(1 MM), (SUB FOR TH103235)

6шт.

7

4143525

Shim

(SUB FOR TH103236)

2шт.

8

TH103237

Plate

1шт.

9

19H2706

Cap Screw

5/8" X 2"

3шт.

10

12H294

Lock Washer

5/8"

3шт.

11

Plate

( TH103198 NLA)

2шт.

13

C606071

Pivot

(F) (BUCKET EAR BLANK ASSEMBLY)

1шт.

14

305443

Plate

(F) (RH) (LH)

2шт.

15

AT131096

Dura-Max Cutting Edge

(CTL)

1шт.

16

301025

Vertical Cutter

(F) (UPPER RH) (SIDE CUTTER)

1шт.

17

301026

Vertical Cutter

(F) (UPPER LH) (SIDE CUTTER)

1шт.

18

305445

Vertical Cutter

(F) (LH) (SIDE CUTTER INSERT)

1шт.

19

305444

Vertical Cutter

(F) (RH) (SIDE CUTTER INSERT)

1шт.

20

605585

Moldboard

(F) (42 INCH BUCKET)

1шт.

605586

Moldboard

(F) (48 INCH BUCKET)

1шт.

21

Cutting Edge

1шт.

22

Cutting Edge

1шт.

23

09H1772

Bolt

7/8" X 3-1/2"

6шт.

24

12H245

Lock Washer

7/8"

6шт.

25

14H1077

Nut

7/8"

6шт.

27

605591

Bar

(F) (DOUBLE BOTTOM WEA R BAR) (42 INCH BUCKET)

1шт.

605592

Bar

(F) (DOUBLE BOTTOM WEA R BAR) (48 INCH BUCKET)

1шт.

29

Shroud

Wear Shroud

1шт.

30

Shroud

Wear Shroud

1шт.

31

14H1044

Nut

7/8"

6шт.

40

Excavator Bucket

( AT167301 NLA) (30 INCH - 1.26 CUBIC YARD) (REQUIRES 3 TEETH)

1шт.

Excavator Bucket

( AT167302 NLA) (36 INCH - 1.56 CUBIC YARD) (REQUIRES 4 TEETH)

1шт.

Excavator Bucket

( AT163669 NLA) (42 INCH - 1.85 CUBIC YARD) (REQUIRES 4 TEETH)

1шт.

Excavator Bucket

( AT163670 NLA) (48 INCH - 2.15 CUBIC YARD) (REQUIRES 5 TEETH)

1шт.

90

End Bit

( AT131086 NLA) (EDGE PROTECTOR)

1шт.

91

End Bit

( AT167878 NLA) (EDGE PROTECTOR)

1шт.

Выбрано товаров: 33