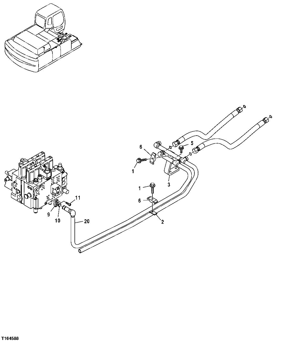
Запчасти John Deere 35C RTS 486 - BOOM LINES 3360 HYDRAULIC SYSTEM

Схема запчастей John Deere 35C RTS - 486 - BOOM LINES 3360 HYDRAULIC SYSTEM
FIT
1:1
100%

Артикул

Название

Примечание

Количество

1

19M7753

Cap Screw

M12 X 70

2шт.

12H301

Lock Washer

1/2"

2шт.

Bolt

( J271270 NLA)

1шт.

19M7753

Cap Screw

M12 X 70

1шт.

24M7345

Washer

13.500 X 24 X 2.500 mm

1шт.

Bolt

( J271285 NLA)

1шт.

19M8122

Cap Screw

M12 X 85

1шт.

24M7345

Washer

13.500 X 24 X 2.500 mm

1шт.

2

4209157

Weld Nut

1шт.

3

9766967

Support

(SUB FOR 4206060 ) (USE WITH J271270 AND J271285)

1шт.

5

19M8011

Cap Screw

M12 X 30

2шт.

12M7058

Lock Washer

12 mm

2шт.

6

4189860

Clamp

2шт.

9

R29424

Flange Fitting

2шт.

10

T59014

O-Ring

1шт.

11

19M7576

Screw

M10 X 30 (SUB FOR J781030)

4шт.

20

8069137

Oil Line

(WITHOUT OPTIONAL DUAL SWING MOTOR)

1шт.

FFSB113121

Oil Line

(WITH OPTIONAL DUAL SWING MOTOR)

1шт.

Выбрано товаров: 18