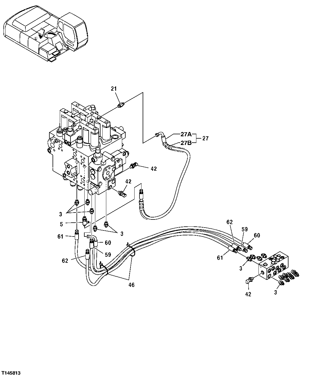
Запчасти John Deere 35C RTS 511 - PILOT HOSES (BOTTOM OF CONTROL VALVE TO FLOW REGULATING VALVE) 3360 HYDRAULIC SYSTEM

Схема запчастей John Deere 35C RTS - 511 - PILOT HOSES (BOTTOM OF CONTROL VALVE TO FLOW REGULATING VALVE) 3360 HYDRAULIC SYSTEM
FIT
1:1
100%

Артикул

Название

Примечание

Количество

3

A852133

Adapter Fitting

17шт.

3A

CH11570

O-Ring

(NOT ILLUSTRATED)

1шт.

5

A852433

Tee Fitting

1шт.

5A

CH11570

O-Ring

(NOT ILLUSTRATED)

1шт.

21

4200467

Adapter Fitting

1шт.

21A

M800650

Packing

(NOT ILLUSTRATED)

1шт.

27

Hydraulic Hose

9190867 NLA

1шт.

27A

4437738

Hydraulic Hose

1шт.

27B

4327315

Hose Guard

4327293 NLA

1шт.

42

4436535

Sensor

3шт.

46

H77698

Tie Band

2шт.

59

4456549

Hydraulic Hose

1шт.

60

4446129

Hydraulic Hose

1шт.

61

4437731

Hydraulic Hose

1шт.

62

4456553

Hydraulic Hose

1шт.

Выбрано товаров: 15