Запчасти John Deere 5 2 - BATTERY, BATTERY HOLDER AND BATTERY CABLE 1671 - ELECTRICAL SYSTEM 16

Схема запчастей John Deere 5 - 2 - BATTERY, BATTERY HOLDER AND BATTERY CABLE 1671 - ELECTRICAL SYSTEM 16
FIT
1:1
100%

Артикул

Название

Примечание

Количество

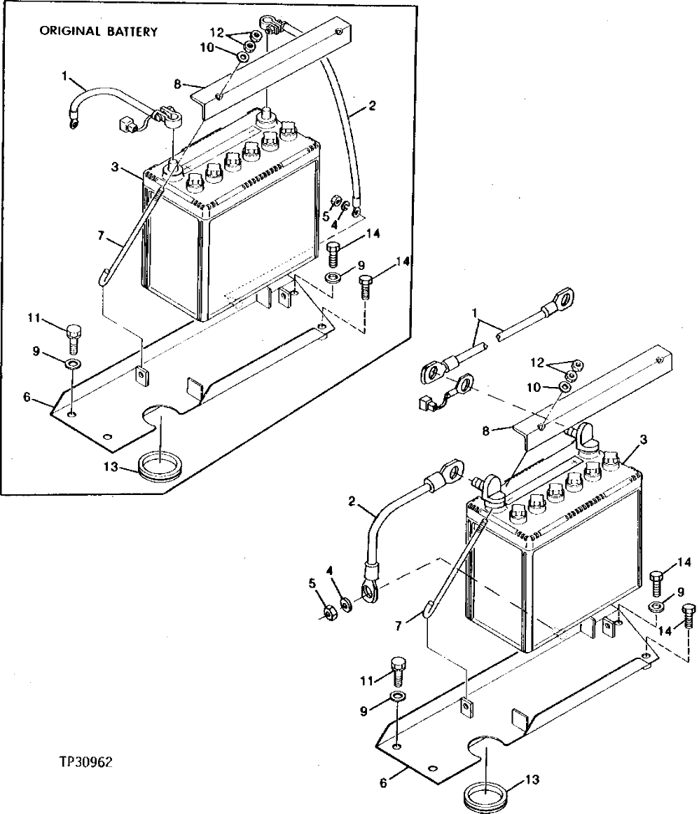
1

AN191893

BATTERY CABLE

(USE WITH TY6109) (SUB FOR AT112465 AND AT130220)

1шт.

T110307

CABLE

(USE WITH ORIGINAL BATTERY)

1шт.

2

AN191893

BATTERY CABLE

(USE WITH TY6109) (SUB FOR AT112464 AND AT130219)

1шт.

T110308

CABLE

(USE WITH ORIGINAL BATTERY)

1шт.

3

TY6109

DRY CHARGED BATTERY

(SUB FOR ORIGINAL BATTERY)

1шт.

4

12M7056

LOCK WASHER

8 MM, (SUB FOR 12M7065)

1шт.

5

14M7273

NUT

M8

1шт.

6

AT110166

SUPPORT

1шт.

7

T110401

HOOK BOLT

2шт.

8

T110397

CLAMP

1шт.

9

24M7028

WASHER

10.500 X 20 X 2 MM

3шт.

10

CH14140

WASHER

2шт.

11

12M7066

LOCK WASHER

10 MM

4шт.

19M7166

CAP SCREW

M10 X 20

2шт.

12

14M7272

NUT

M6

4шт.

13

T110485

GROMMET

1шт.

14

19M7168

CAP SCREW

M10 X 30

2шт.

Выбрано товаров: 17