Запчасти John Deere 5 18 - BOOM CYLINDER 2160 - MAIN HYDRAULIC SYSTEM

Схема запчастей John Deere 5 - 18 - BOOM CYLINDER 2160 - MAIN HYDRAULIC SYSTEM
FIT
1:1
100%

Артикул

Название

Примечание

Количество

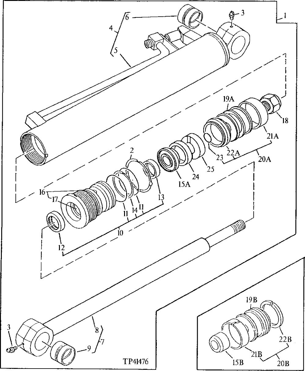
1

HYDRAULIC CYLINDER

(SUB AT111846) ( AT110553 NO LONGER AVAILABLE)

1шт.

AT111846

HYDRAULIC CYLINDER

(SUB FOR AT110553)

1шт.

2

T110547

WASHER

1шт.

3

T116334

LUBRICATION FITTING

(SUB FOR T110450 OR TH100075, THIS APPLICATION)

2шт.

4

AT111117

HYDRAULIC CYLINDER BARREL

1шт.

5

BARREL

(SUB AT111117)

1шт.

6

T111342

BUSHING

1шт.

7

ROD

( AT111118 NO LONGER AVAILABLE FOR SERVICE)

1шт.

8

ROD

1шт.

9

T111342

BUSHING

1шт.

10

AT111119

SEAL KIT

1шт.

11

CH15107

PACKING

2шт.

12

T110555

SEAL

1шт.

13

T110559

PACKING

1шт.

14

T110581

BACK-UP RING

1шт.

15A

T114212

BUSHING

(USE WITH AT111846)

1шт.

15B

T110569

PLUNGER

(USE WITH AT110553)

1шт.

16

AT111848

HYDRAULIC CYLINDER CAP

(SUB FOR AT110231)

1шт.

17

T110491

BUSHING

1шт.

18

T110552

NUT

1шт.

19A

T114214

PISTON

1шт.

19B

PISTON

(SUB T114214) (ALSO ORDER T138831, T114215 AND CH12329)

1шт.

20A

SEAL KIT

(SUB AT111939) ( AT111847 NO LONGER AVAILABLE)

1шт.

AT111939

SEAL KIT

(SUB FOR AT111847)

1шт.

20B

AT111120

SEAL KIT

(USE WITH AT110553)

1шт.

21A

T114215

RING

1шт.

21B

T110573

RING

1шт.

22A

T138831

SEAL

(SUB FOR T114216)

1шт.

22B

T110562

SEAL

1шт.

23

CH12329

PACKING

1шт.

24

T114217

RING

1шт.

25

T114218

SPACER

1шт.

Выбрано товаров: 32