Запчасти John Deere 5 20 - ARM CYLINDER 2160 - MAIN HYDRAULIC SYSTEM

Схема запчастей John Deere 5 - 20 - ARM CYLINDER 2160 - MAIN HYDRAULIC SYSTEM
FIT
1:1
100%

Артикул

Название

Примечание

Количество

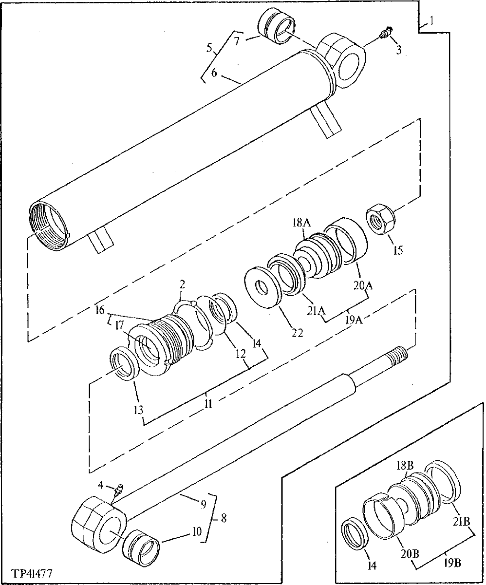
1

AT111849

HYDRAULIC CYLINDER

(SUB FOR AT110555) (USE IF AVAILABLE) (IF AT110555 NOT AVAILABLE, SUB AT111849)

1шт.

AT111849

HYDRAULIC CYLINDER

1шт.

2

T110547

WASHER

1шт.

3

T116334

LUBRICATION FITTING

(SUB FOR TH100075)

1шт.

4

T116334

LUBRICATION FITTING

(SUB FOR TH100075)

1шт.

5

AT111122

HYDRAULIC CYLINDER BARREL

1шт.

6

BARREL

(SUB AT111122)

1шт.

7

T111342

BUSHING

1шт.

8

AT111123

ROD

1шт.

9

ROD

(SUB AT111123)

1шт.

10

T111342

BUSHING

1шт.

11

AT111124

SEAL KIT

1шт.

12

CH15107

PACKING

1шт.

13

T110555

SEAL

1шт.

14

T110559

PACKING

1шт.

15

T110552

NUT

1шт.

16

AT110606

HYDR. CYLINDER ROD GUIDE

1шт.

17

T110491

BUSHING

1шт.

18A

PISTON

(SUB T114214) ( T114213 NO LONGER AVAILABLE)

1шт.

18B

PISTON

(SUB T114214) (ALSO ORDER T114219, T114216 AND T114215) ( T114213 NO LONGER AVAILABLE)

1шт.

19A

AT111943

SEAL KIT

(USE WITH AT111849) (SUB FOR AT111850)

1шт.

19B

AT111120

SEAL KIT

(USE WITH AT110555)

1шт.

20A

T114215

RING

1шт.

20B

T110573

RING

1шт.

21A

T138831

SEAL

(SUB FOR T114216)

1шт.

21B

T110562

SEAL

1шт.

22

T114219

RETAINER

1шт.

Выбрано товаров: 27