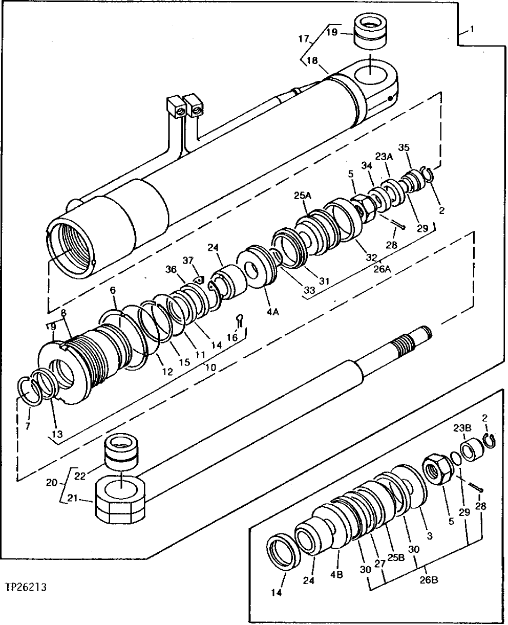
Запчасти John Deere 5 24 - SWING CYLINDER 2160 - MAIN HYDRAULIC SYSTEM

Схема запчастей John Deere 5 - 24 - SWING CYLINDER 2160 - MAIN HYDRAULIC SYSTEM
FIT
1:1
100%

Артикул

Название

Примечание

Количество

1

HYDRAULIC CYLINDER

( AT110594 NO LONGER AVAILABLE) (SUB AT111853 IF AVAILABLE)

1шт.

AT111853

HYDRAULIC CYLINDER

(SUB FOR AT110594) (USE IF AVAILABLE)

1шт.

2

CH17291

RING

(USE WITH AT110594)

1шт.

40M7057

SNAP RING

(USE WITH AT111853) (SUB FOR T114220)

1шт.

3

T110499

RING

(USE WITH AT110594)

1шт.

4A

T114221

RETAINER

(USE WITH AT111853)

1шт.

4B

T110501

BACK-UP RING

(USE WITH AT110594)

1шт.

5

T110504

NUT

1шт.

6

T110493

WASHER

1шт.

7

T110511

RING

1шт.

8

AT110214

CYLINDER HEAD

(USE WITH AT110594)

1шт.

T114222

HYDRAULIC CYLINDER CAP

(USE WITH AT111853)

1шт.

9

T110492

BUSHING

1шт.

10

SEAL KIT

(USE WITH AT110594) ( AT111129 NO LONGER AVAILABLE FOR SERVICE) (SUB INDIVIDUAL COMPONENTS)

1шт.

AT111854

SEAL KIT

(USE WITH AT111853) (USE IF AVAILABLE)

1шт.

11

O-RING

(USE WITH AT110594) ( T110434 NO LONGER AVAILABLE)

1шт.

AT264334

O-RING

(USE WITH AT111853) (SUB FOR T114223, TH100101)

1шт.

12

CH17160

PACKING

1шт.

13

T110505

SEAL

1шт.

14

T110506

PACKING

1шт.

15

(USE WITH AT110594) ( T110605 NO LONGER AVAILABLE)

1шт.

T114224

BACK-UP RING

(USE WITH AT111853)

1шт.

16

11M7032

COTTER PIN

5 X 50 MM

1шт.

17

AT111130

HYDRAULIC CYLINDER BARREL

(USE WITH AT110594)

1шт.

AT111855

HYDRAULIC CYLINDER BARREL

(USE WITH AT111853) (USE IF AVAILABLE)

1шт.

18

BARREL

(SUB AT111130) (USE WITH AT110594)

1шт.

T114225

HYDRAULIC CYLINDER BARREL

(USE WITH AT111853)

1шт.

19

T111344

BUSHING

1шт.

20

AT111856

ROD

(SUB FOR AT111131) (ALSO ORDER 40M7057) (USE IF AVAILABLE)

1шт.

AT111856

ROD

(USE IF AVAILABLE)

1шт.

21

ROD

(USE WITH AT110594) (SUB AT111131)

1шт.

T114226

ROD

(USE WITH AT111853)

1шт.

22

T111344

BUSHING

1шт.

23A

T114227

RING

(USE WITH AT111853)

1шт.

23B

T110567

PLUNGER

(USE WITH AT110594)

1шт.

24

T110568

PLUNGER

(USE WITH AT110594)

1шт.

T114228

PLUNGER

(USE WITH AT111853)

1шт.

25A

T114229

PISTON

(USE WITH AT111853)

1шт.

25B

T110497

PISTON

(USE WITH AT110594)

1шт.

26A

SEAL KIT

( AT111857 NO LONGER AVAILABLE)

1шт.

SEAL KIT

(USE WITH AT111853) ( AT111944 NO LONGER AVAILABLE FOR SERVICE)

1шт.

26B

AT111132

SEAL KIT

(USE WITH AT110594)

1шт.

27

T110510

RING

1шт.

28

11M7032

COTTER PIN

5 X 50 MM

1шт.

29

CH11563

PACKING

1шт.

30

T110507

PACKING

2шт.

31

PACKING

(SUB T138834) ( T114230 NO LONGER AVAILABLE)

1шт.

T138834

SEAL

1шт.

32

T114231

RING

1шт.

33

T114232

O-RING

1шт.

34

T114233

BUSHING

1шт.

35

T114234

BUSHING

1шт.

36

T114235

RING

1шт.

37

T114236

RING

1шт.

Выбрано товаров: 54