Запчасти John Deere 5 26 - BLADE CYLINDER 2160 - MAIN HYDRAULIC SYSTEM

Схема запчастей John Deere 5 - 26 - BLADE CYLINDER 2160 - MAIN HYDRAULIC SYSTEM
FIT
1:1
100%

Артикул

Название

Примечание

Количество

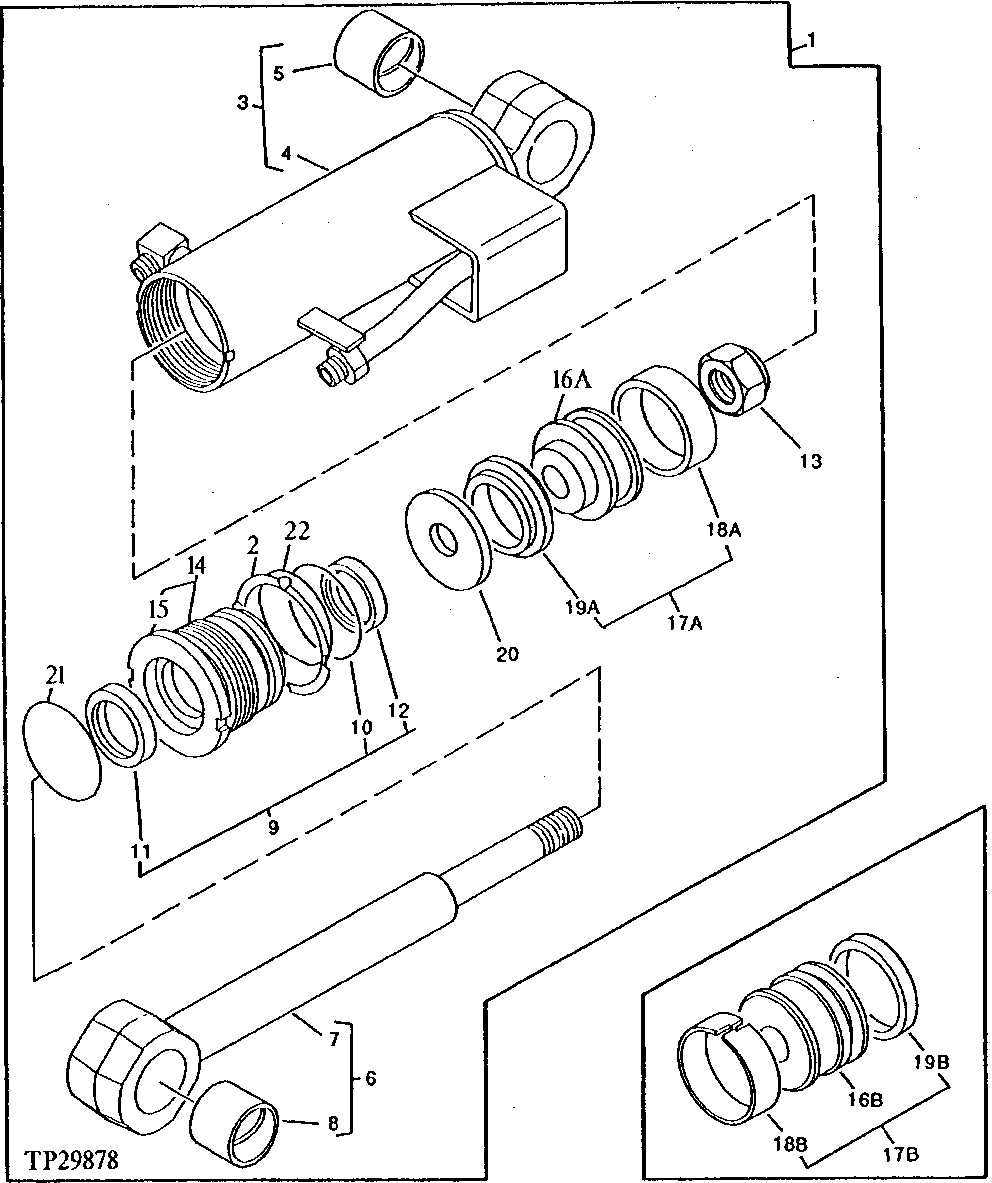
1

HYDRAULIC CYLINDER

(SUB AT111852) ( AT110557 NO LONGER AVAILABLE)

1шт.

AT111852

HYDRAULIC CYLINDER

(SUB FOR AT110557)

1шт.

2

T110547

WASHER

1шт.

3

AT111134

HYDRAULIC CYLINDER BARREL

1шт.

AT111945

HYDRAULIC CYLINDER BARREL

1шт.

4

BARREL

(SUB AT111134)

1шт.

AT111946

HYDRAULIC CYLINDER BARREL

1шт.

5

T111343

BUSHING

1шт.

6

AT111135

ROD

1шт.

7

ROD

(SUB AT111135)

1шт.

8

T111343

BUSHING

1шт.

9

AT111124

SEAL KIT

1шт.

10

CH15107

PACKING

1шт.

11

T110555

SEAL

1шт.

12

T110559

PACKING

1шт.

13

T138832

PISTON

(SUB FOR T110552, THIS APPLICATION)

1шт.

14

AT110606

HYDR. CYLINDER ROD GUIDE

1шт.

AT111942

HYDRAULIC CYLINDER CAP

1шт.

15

T110491

BUSHING

1шт.

16A

PISTON

(SUB T114214) ( T114213 NO LONGER AVAILABLE)

1шт.

T114214

PISTON

1шт.

16B

PISTON

(SUB T114214) (ALSO ORDER T114216, T114215 AND T114219) ( T114213 NO LONGER AVAILABLE)

1шт.

17A

SEAL KIT

(USE WITH AT111852) (SUB AT111943) ( AT111850 NO LONGER AVAILABLE)

1шт.

AT111943

SEAL KIT

(USE WITH AT111852)

1шт.

17B

AT111120

SEAL KIT

(USE WITH AT110557)

1шт.

18A

T114215

RING

1шт.

18B

T110573

RING

1шт.

19A

T138831

SEAL

(SUB FOR T114216)

1шт.

19B

T110562

SEAL

1шт.

20

T114219

RETAINER

(USE WITH AT111852)

1шт.

21

T138833

RING

1шт.

22

M803221

PACKING

1шт.

Выбрано товаров: 0