Запчасти John Deere 5 8 - CONTROL EQUIPMENT 3315 - EXCAVATOR

Схема запчастей John Deere 5 - 8 - CONTROL EQUIPMENT 3315 - EXCAVATOR
FIT
1:1
100%

Артикул

Название

Примечание

Количество

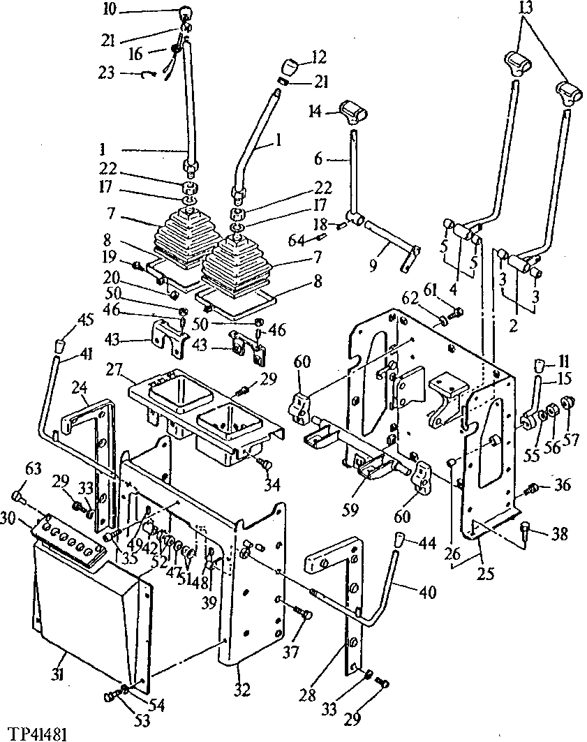
1

T111913

LEVER

2шт.

2

AT111480

LEVER

1шт.

3

T110633

BUSHING

2шт.

4

AT111481

LEVER

1шт.

5

T110633

BUSHING

2шт.

6

AT110169

LEVER

1шт.

7

T114173

BOOT

(SUB FOR T110101)

2шт.

8

AT110019

BAND

(USED WITH T110101 BOOT)

2шт.

9

T111914

ARM

1шт.

10

T110833

KNOB

1шт.

11

CH11882

KNOB

1шт.

12

T110834

KNOB

1шт.

13

T111915

KNOB

2шт.

14

T111915

KNOB

1шт.

15

T111916

LEVER

1шт.

16

T110613

GROMMET

1шт.

17

12M7069

LOCK WASHER

16 MM

2шт.

18

34M7028

SPRING PIN

4 X 22 MM, (SUB FOR CH11497, THIS APPLICATION) (SUB FOR CH12296)

1шт.

19

CH10620

SCREW

2шт.

20

14M7229

NUT

M5

2шт.

R67593

NUT

(SUB FOR CH11460)

2шт.

21

14M7274

NUT

M10

2шт.

22

CH12405

NUT

2шт.

23

T110612

TIE BAND

2шт.

24

T111298

ISOLATOR

1шт.

25

AT111482

STAND

1шт.

AT111840

STAND

(SUB FOR AT111483)

1шт.

26

T110633

BUSHING

1шт.

27

AT111841

PANEL

(SUB FOR T111917)

1шт.

28

T110322

ISOLATOR

1шт.

29

T110323

SCREW

9шт.

T110323

SCREW

11шт.

30

CLAMP

( T111918 NO LONGER AVAILABLE) (SUB T114206)

1шт.

T114206

RETAINER

1шт.

31

T111919

VALVE COVER

1шт.

32

T111920

COVER

1шт.

AT111842

COVER

(SUB FOR T111912)

1шт.

33

CH10525

WASHER

6шт.

34

19M7932

CAP SCREW

M8 X 16

2шт.

12M7056

LOCK WASHER

8 MM, (SUB FOR 12M7065)

2шт.

35

19M7881

SCREW

M8 X 20, (SUB FOR CH13542 ALONG WITH 12M7065)

1шт.

12M7056

LOCK WASHER

8 MM, (SUB FOR 12M7065)

1шт.

36

19M7166

CAP SCREW

M10 X 20

3шт.

12M7066

LOCK WASHER

10 MM

3шт.

37

19M7166

CAP SCREW

M10 X 20

6шт.

12M7066

LOCK WASHER

10 MM

6шт.

38

19M7166

CAP SCREW

M10 X 20

2шт.

12M7066

LOCK WASHER

10 MM

2шт.

39

T111921

LEVER

1шт.

40

T111922

LEVER

(USE WITH CANOPY)

1шт.

AT111747

LEVER

(USE WITH CAB)

1шт.

41

T111923

LEVER

1шт.

42

T111924

LEVER

1шт.

43

AT110034

SUPPORT

2шт.

44

T110795

GRIP

1шт.

45

T110840

KNOB

1шт.

46

T111925

SCREW

4шт.

47

24M7047

WASHER

13 X 24 X 2.500 MM

1шт.

48

CH11496

PIN

1шт.

49

CH11496

PIN

2шт.

50

14M7229

NUT

M5

4шт.

R67593

NUT

(SUB FOR CH11460)

4шт.

Выбрано товаров: 62