Запчасти John Deere 5 2 - THIRD FUNCTION CONTROL VALVE 3360 - EXCAVATOR

Схема запчастей John Deere 5 - 2 - THIRD FUNCTION CONTROL VALVE 3360 - EXCAVATOR
FIT
1:1
100%

Артикул

Название

Примечание

Количество

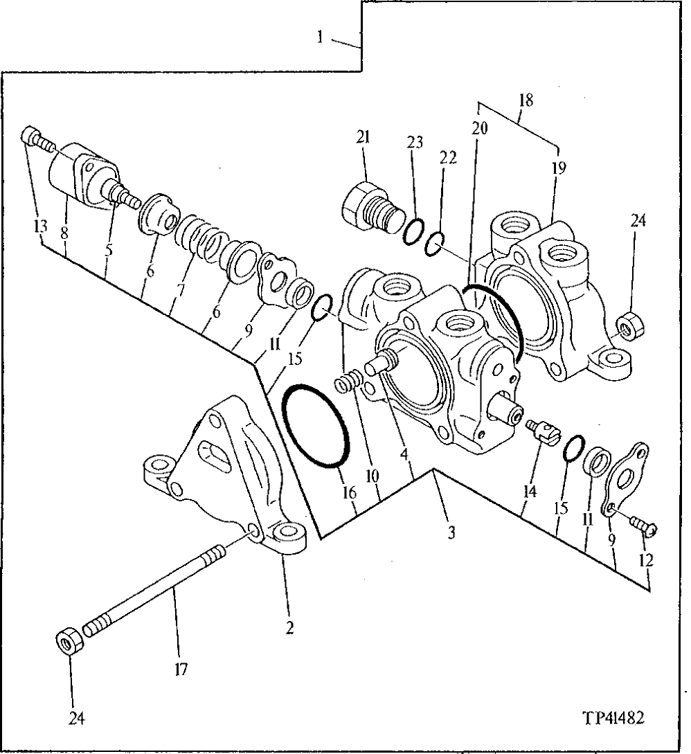
1

CONTROL VALVE

(T111741 - NO LONGER AVAILABLE)

1шт.

2

T111830

MOUNTING PARTS

1шт.

3

AT110996

SPOOL VALVE

1шт.

4

T111646

CHECK VALVE

1шт.

5

T111638

CAP SCREW

1шт.

6

T111639

SEAT

2шт.

7

T111640

SPRING

1шт.

8

T111641

CAP

1шт.

9

T111642

PLATE

2шт.

10

T111647

SPRING

1шт.

11

T111643

SEAL

2шт.

12

T111644

SCREW

2шт.

13

T111645

SCREW

2шт.

14

T111637

VALVE SPOOL

1шт.

15

CH10568

O-RING

2шт.

16

CH17260

PACKING

1шт.

17

T111831

TIE ROD

3шт.

18

VALVE

(AT110998 - NO LONGER AVAILABLE)

1шт.

19

T111648

HOUSING

1шт.

20

CH17260

PACKING

1шт.

21

T111832

PLUG

1шт.

22

CH11570

O-RING

1шт.

23

4506418

O-RING

(SUB FOR T110438) (SUB FOR U46489)

1шт.

24

14M7273

NUT

M8

6шт.

Выбрано товаров: 24