Запчасти John Deere 5 8 - THIRD FUNCTION VALVE, PEDAL AND LINKAGE 3360 - EXCAVATOR

Схема запчастей John Deere 5 - 8 - THIRD FUNCTION VALVE, PEDAL AND LINKAGE 3360 - EXCAVATOR
FIT
1:1
100%

Артикул

Название

Примечание

Количество

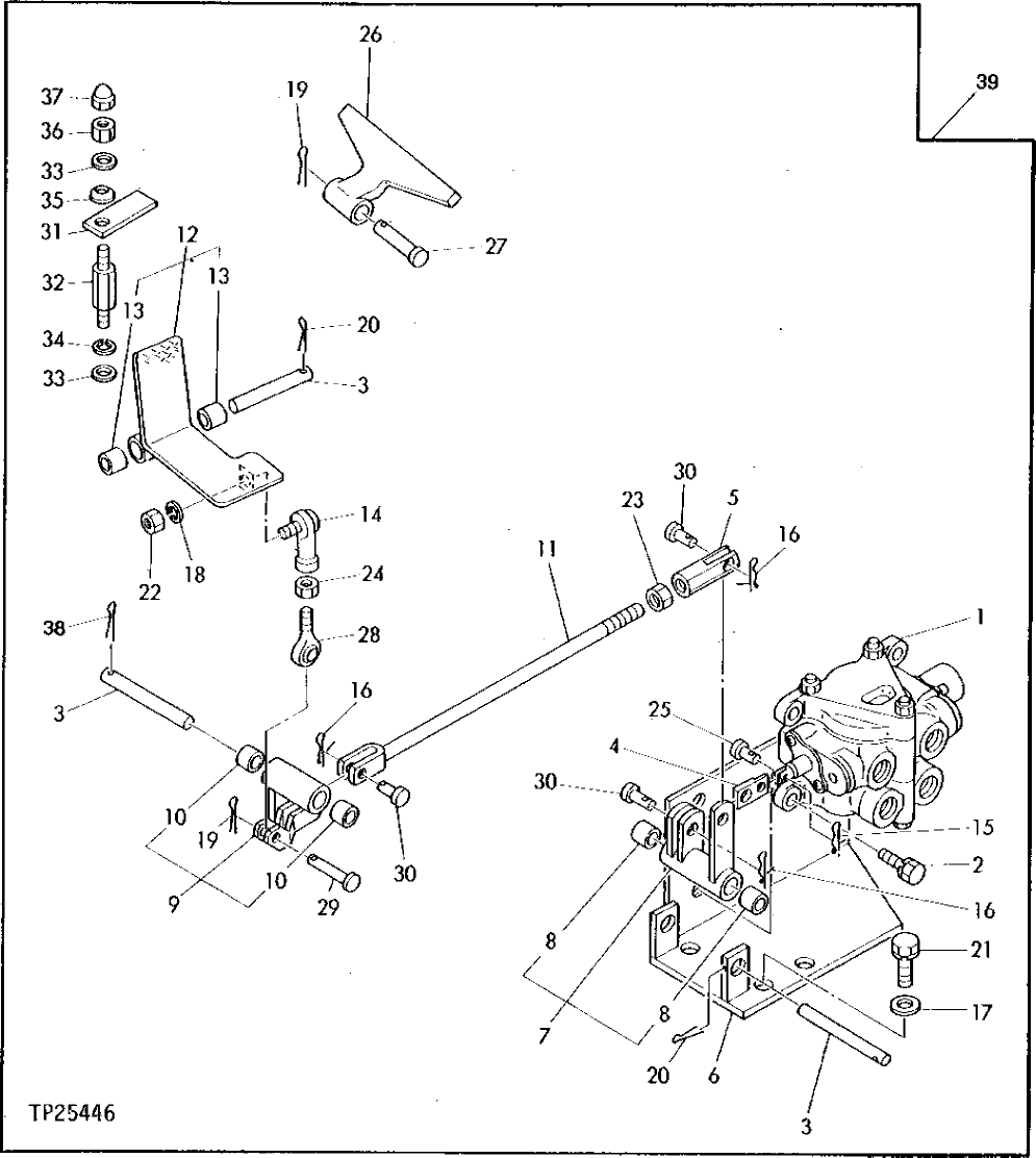
1

CONTROL VALVE

(T111741 - NO LONGER AVAILABLE)

1шт.

2

12M7066

LOCK WASHER

10 MM

2шт.

19M7168

CAP SCREW

M10 X 30

2шт.

3

AT110001

SHAFT

3шт.

4

T111742

SPOOL

1шт.

5

T110118

LINK

1шт.

6

T111743

BRACKET

1шт.

7

AT111078

LINK

1шт.

8

T110633

BUSHING

2шт.

9

AT111079

LINK

1шт.

10

T110633

BUSHING

2шт.

11

T111746

ROD

1шт.

12

AT111080

PEDAL

1шт.

13

T110633

BUSHING

2шт.

14

T111748

TIE ROD END

1шт.

15

LG93306

SPRING LOCKING PIN

(SUB FOR T110005 OR M112711)

1шт.

16

R50647

SPRING LOCKING PIN

(SUB FOR T110006)

3шт.

17

24M7028

WASHER

10.500 X 20 X 2 MM

3шт.

18

12M7060

WASHER

5.300 MM

1шт.

19

11M7082

COTTER PIN

2.500 X 25 MM, (SUB FOR CH12317)

2шт.

20

11M7087

COTTER PIN

4 X 40 MM

2шт.

21

12M7066

LOCK WASHER

10 MM

3шт.

19M8324

CAP SCREW

M10 X 16, (SUB FOR 19M7557, THIS APPLICATION)

3шт.

22

14M7274

NUT

M10

1шт.

23

14M7274

NUT

M10

1шт.

24

14M7274

NUT

M10

1шт.

25

T110484

PIN FASTENER

1шт.

26

T111749

LOCK

1шт.

27

T110625

PIN

1шт.

28

T111750

LINK

1шт.

29

T111751

PIN FASTENER

1шт.

30

T110627

PIN

3шт.

31

T111752

LOCK PLATE

1шт.

32

T111753

STUD

1шт.

33

24M7028

WASHER

10.500 X 20 X 2 MM

2шт.

34

12M7060

WASHER

5.300 MM

1шт.

35

CH11981

WASHER

(SUB FOR T110396)

1шт.

36

14M7274

NUT

M10

1шт.

37

T111322

CAP

1шт.

38

11M7087

COTTER PIN

4 X 40 MM, (SUB FOR 11M7023)

1шт.

39

VALVE

(FOR UNITS WITH CANOPY TOPS) (ALSO CONTAINS ITEMS ON PAGES 3360-4 AND 5) ( AT107174 NO LONGER AVAILABLE)

1шт.

VALVE

(FOR UNITS WITH CAB) (ALSO CONTAINS ITEMS ON PAGES 3360-6 AND 7) ( AT107212 NO LONGER AVAILABLE)

1шт.

Выбрано товаров: 42