Запчасти John Deere 5 2 - TRACK FRAME AND IDLER 130 - TRACKS 1

Схема запчастей John Deere 5 - 2 - TRACK FRAME AND IDLER 130 - TRACKS 1
FIT
1:1
100%

Артикул

Название

Примечание

Количество

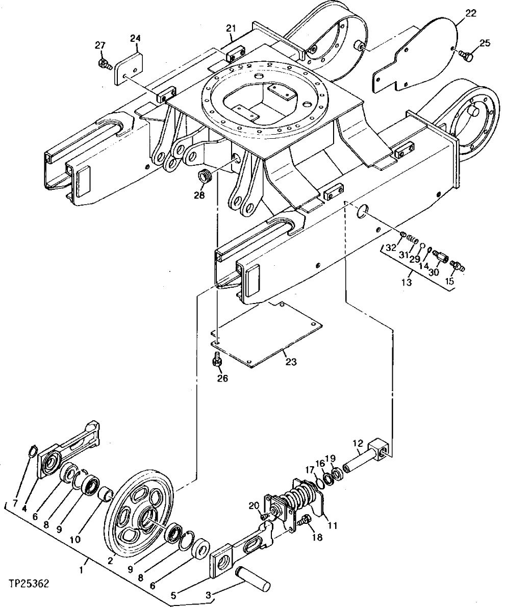
1

AT111074

TRACK IDLER

2шт.

2

IDLER

(T110314 - NO LONGER AVAILABLE) RUBBER AND STEEL TRACK

1шт.

3

T110315

SHAFT

1шт.

4

T110316

COVER

(LEFT-HAND) IDLER SEAL

1шт.

5

T110317

COVER

(RIGHT-HAND) IDLER SEAL

1шт.

6

T110000

SEAL

2шт.

7

40M7084

SNAP RING

(SUB FOR CH11482)

1шт.

8

40M7043

SNAP RING

(SUB FOR CH15010)

2шт.

9

CH14887

BALL BEARING

2шт.

10

T110610

BUSHING

1шт.

11

AT110167

SPRING

2шт.

12

AT110168

TUBE

2шт.

13

AT110016

FLOW CONTROL HYD. VALVE

2шт.

14

CH11570

O-RING

1шт.

15

TH100074

LUBRICATION FITTING

(SUB FOR T110449 OR CH11575)

1шт.

16

T110320

RING

2шт.

17

AT264360

O-RING

(SUB FOR T110440, TH104930, 4506430)

2шт.

18

12M7066

LOCK WASHER

10 MM

8шт.

19M7168

CAP SCREW

M10 X 30

8шт.

19

T110556

SEAL

2шт.

20

94-2010

FITTING PLUG

(SUB FOR T110620) (SUB FOR TH100689)

2шт.

21

AT110176

FRAME

(USE IF AVAILABLE)

1шт.

22

T110324

COVER

MOTOR

2шт.

23

T110325

COVER

LOWER

1шт.

24

T110326

PLATE

4шт.

25

12M7066

LOCK WASHER

10 MM

8шт.

19M7166

CAP SCREW

M10 X 20

8шт.

26

12M7066

LOCK WASHER

10 MM

4шт.

19M7166

CAP SCREW

M10 X 20

4шт.

27

12M7066

LOCK WASHER

10 MM

8шт.

19M7168

CAP SCREW

M10 X 30

8шт.

28

T110622

GROMMET

2шт.

29

400R

BALL

1шт.

30

VALVE

(SUB AT110016)

1шт.

31

SPRING

(SUB AT110016)

1шт.

32

SPRING

(SUB AT110016)

1шт.

Выбрано товаров: 36