Запчасти John Deere 5 6 - PROPEL MOTOR 260 - AXLES AND SUSPENSION SYSTEMS 2

Схема запчастей John Deere 5 - 6 - PROPEL MOTOR 260 - AXLES AND SUSPENSION SYSTEMS 2
FIT
1:1
100%

Артикул

Название

Примечание

Количество

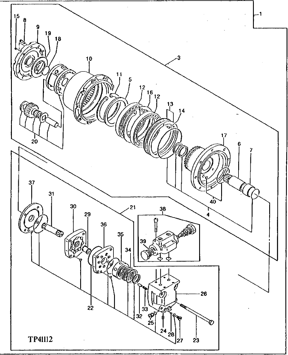
1

MOTOR

( AT111858 NO LONGER AVAILABLE)

2шт.

3

AT111860

GEAR

1шт.

4

T114247

SEAL KIT

1шт.

5

T114248

SPACER

1шт.

6

T114246

SUN GEAR

1шт.

7

T114245

BUSHING

1шт.

8

19M8553

SCREW

M6 X 16, (SUB FOR M800695)

9шт.

9

T114244

COVER

1шт.

10

HOUSING

(T114241 - NO LONGER AVAILABLE)

1шт.

11

CH17153

RING

1шт.

12

T111256

BALL BEARING

2шт.

13

T114243

SEAL KIT

1шт.

14

T114240

PIN

1шт.

15

15H666

PIPE PLUG

3/8"

2шт.

16

T111839

SNAP RING

1шт.

17

T114242

FLANGE

1шт.

18

T114249

WASHER

1шт.

19

T114250

WASHER

1шт.

20

T114251

PLANET PINION CARRIER

1шт.

21

AT111861

HYDRAULIC MOTOR

1шт.

22

T114254

SEAL KIT

1шт.

23

T111230

BOLT

4шт.

24

T111231

PLUG

1шт.

25

T111232

PLUG

1шт.

26

T111233

HOUSING

1шт.

27

T111234

PLUG

2шт.

28

T111235

BALL

2шт.

29

T111236

HYD ACTUATED CONTROL VALVE

1шт.

30

T114253

ROLLER

1шт.

31

T114252

DRIVE

1шт.

32

T111239

PIN FASTENER

2шт.

33

T111240

SPRING

2шт.

34

T111241

PLATE

1шт.

35

T111242

HYD ACTUATED CONTROL VALVE

1шт.

36

T111243

PLATE

1шт.

37

T111244

SPACER

1шт.

38

AT110195

HYD ACTUATED CONTROL VALVE

1шт.

39

AT110552

SEAL

1шт.

40

SEAL

(SUB T114254)

1шт.

Выбрано товаров: 0