Запчасти John Deere 5 6 - ENGINE TIMING GEAR COVER 402 - ENGINE 4

Схема запчастей John Deere 5 - 6 - ENGINE TIMING GEAR COVER 402 - ENGINE 4
FIT
1:1
100%

Артикул

Название

Примечание

Количество

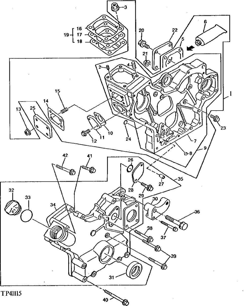
1

AT110847

HOUSING

1шт.

2

CH12293

PIN

2шт.

3

12M7056

LOCK WASHER

8 MM, (SUB FOR 12M7065)

4шт.

14M7273

NUT

M8

4шт.

4

CH15722

STUD

4шт.

5

GASKET

(MAKE FROM M64850)

1шт.

6

M64850

SEALANT

ARшт.

7

HOUSING

(SUB AT110780)

1шт.

8

M89118

PLUG

1шт.

9

AT110780

GEAR CASE

1шт.

10

M805703

GASKET

(SUB FOR CH15378, THIS APPLICATION)

1шт.

11

CH15377

COVER

1шт.

12

M87868

BOLT

2шт.

13

M87828

NUT

4шт.

14

M805695

GASKET

(SUB FOR M89123, THIS APPLICATION)

1шт.

15

M89124

STUD

4шт.

16

SHIM

(SUB AM100747)

2шт.

17

SHIM

(SUB AM100747)

2шт.

18

SHIM

(SUB AM100747)

1шт.

19

AM100747

SHIM

1шт.

20

CH19137

BOLT

1шт.

21

14M7298

FLANGE NUT

M8

3шт.

22

CH18096

COVER

1шт.

23

M87868

BOLT

7шт.

24

CH10568

O-RING

2шт.

25

M89122

COVER

1шт.

26

CH15595

O-RING

1шт.

27

M800006

DOWEL PIN

2шт.

28

M87874

COVER

1шт.

29

M88089

BOLT

(SUB FOR M87868, THIS APPLICATION)

2шт.

30

AT110778

BRACKET

1шт.

31

M811563

SEAL

(SUB FOR M87821)

1шт.

32

M805710

FILLER CAP

(SUB FOR CH10332) (ENGINE OIL FILL)

1шт.

33

M805711

PACKING

(SUB FOR CH15414)

1шт.

34

COVER

1шт.

35

AT110846

COVER

(USE IF AVAILABLE)

1шт.

36

CH19142

BOLT

1шт.

37

M800009

BOLT

1шт.

38

CH19099

BOLT

3шт.

39

M89120

BOLT

3шт.

40

M89121

BOLT

6шт.

41

CH19141

BOLT

5шт.

42

M89120

BOLT

1шт.

Выбрано товаров: 43