Запчасти John Deere 5 2 - GOVERNOR 406 - ENGINE 4

Схема запчастей John Deere 5 - 2 - GOVERNOR 406 - ENGINE 4
FIT
1:1
100%

Артикул

Название

Примечание

Количество

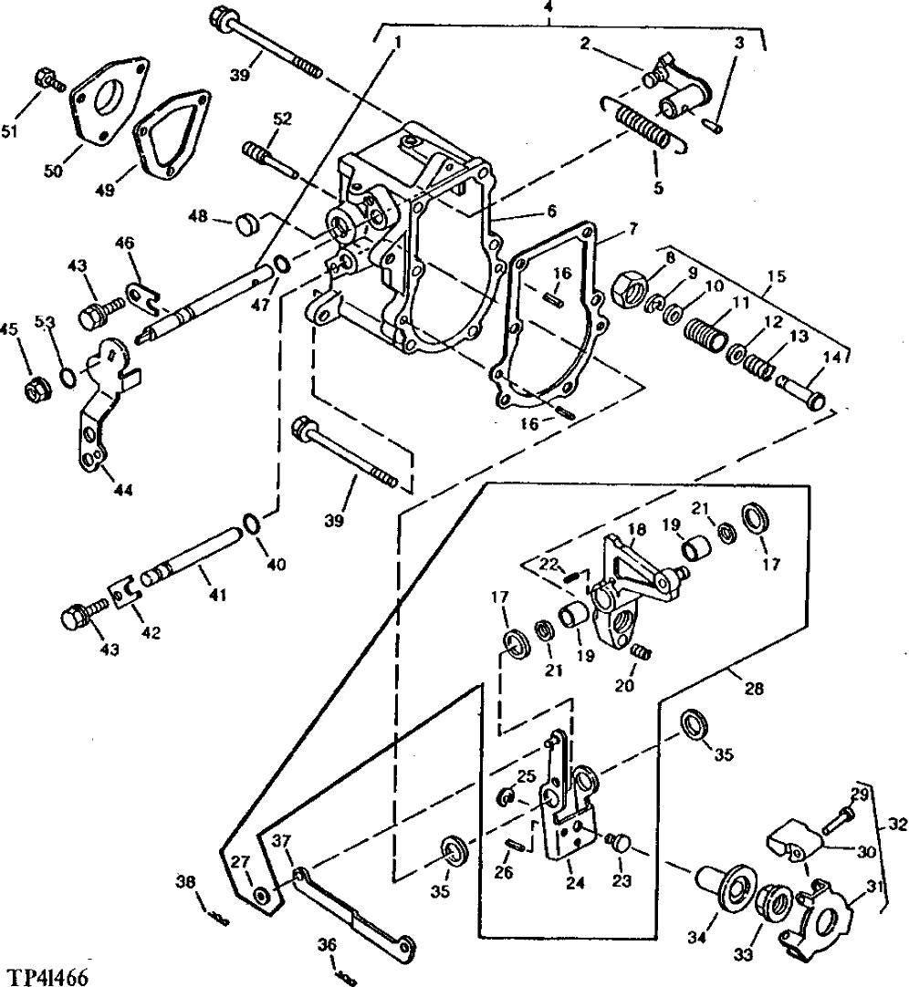
1

SHAFT

(SUB AM875555)

1шт.

2

LEVER

(SUB AM875555)

1шт.

3

CH10536

PIN

1шт.

4

AM875555

SHAFT

1шт.

5

AT110766

SPRING

1шт.

6

M801805

CASE

1шт.

7

M805704

GASKET

(SUB FOR M89153, THIS APPLICATION)

1шт.

8

T111874

NUT

1шт.

9

40M7088

SNAP RING

(SUB FOR CH13497)

1шт.

10

WASHER

(SUB AT110768)

1шт.

11

CASE

(SUB AT110768)

1шт.

12

AT110817

SHIM

1шт.

13

AT110815

SPRING

1шт.

14

AT110813

SHIFTER

1шт.

15

AT110768

ANGLE

1шт.

16

CH12293

PIN

2шт.

17

SHIM

(SUB AT110779)

2шт.

18

LEVER

(SUB AT110779)

1шт.

19

T111857

NEEDLE BEARING

2шт.

20

M800098

SPRING

1шт.

21

SHIM

(SUB AT110779)

2шт.

22

M89178

SPRING PIN

1шт.

23

SHIFTER

(SUB AT110779)

1шт.

24

LEVER

(SUB AT110779)

1шт.

25

40M7088

SNAP RING

(SUB FOR CH13497)

1шт.

26

M801857

SPRING PIN

1шт.

27

M800099

WASHER

1шт.

28

AT110779

LEVER

1шт.

29

PIN

(SUB AM875681)

3шт.

30

WEIGHT

(SUB AM875681)

3шт.

31

SUPPORT

(SUB AM875681)

1шт.

32

AM875681

WEIGHT

1шт.

33

M89157

NUT

1шт.

34

M89158

SLEEVE

1шт.

35

M89159

SPACER

2шт.

36

M800051

PIN

(SUB FOR CH10542)

1шт.

37

M811632

LINK

(SUB FOR M89156)

1шт.

38

M89162

PIN

1шт.

39

M89163

BOLT

6шт.

40

M89151

O-RING

1шт.

41

M89160

SHAFT

1шт.

42

M89161

RETAINER

1шт.

43

19M7300

CAP SCREW

M6 X 10

2шт.

44

AT110777

LEVER

1шт.

45

14M7273

NUT

M8

1шт.

46

M801784

RETAINER

1шт.

47

M801785

O-RING

1шт.

48

T111544

PLUG

1шт.

49

M805705

GASKET

(SUB FOR M89155, THIS APPLICATION)

1шт.

50

M89154

COVER

1шт.

51

M89164

BOLT

3шт.

52

CH12802

SCREW

1шт.

53

12M7056

LOCK WASHER

8 MM, (SUB FOR 12M7065)

1шт.

Выбрано товаров: 0