Запчасти John Deere 5 2 - STARTING MOTOR 422 - ENGINE 4

Схема запчастей John Deere 5 - 2 - STARTING MOTOR 422 - ENGINE 4
FIT
1:1
100%

Артикул

Название

Примечание

Количество

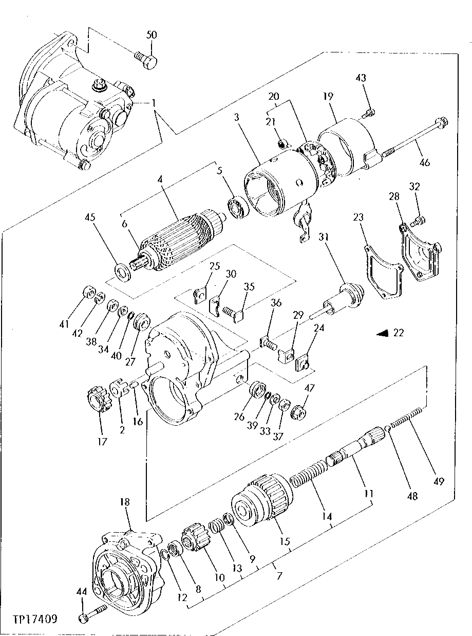
1

AM100809

STARTER MOTOR

1шт.

2

CH12467

RETAINER

1шт.

3

CH19552

COMMUTATOR HOUSING

1шт.

4

ARMATURE

( CH15973 NO LONGER AVAILABLE)

1шт.

5

CH12511

BEARING

1шт.

6

CH15974

BALL BEARING

1шт.

7

AM100876

CLUTCH

1шт.

8

CH12702

NUT

1шт.

9

CH12699

RETAINER

1шт.

10

M88117

PINION

1шт.

11

CH12696

SHAFT

1шт.

12

CH12703

SNAP RING

1шт.

13

CH12700

SPRING

1шт.

14

CH12697

SPRING

1шт.

15

STARTER MOTOR DRIVE

( CH18200 NO LONGER AVAILABLE)

1шт.

16

CH12487

ROLLER

5шт.

17

CH12738

PINION

1шт.

18

CH15985

HOUSING

(SUB FOR T111877)

1шт.

19

CH15979

FRAME

(SUB FOR T111878)

1шт.

20

CH15976

HOLDER

1шт.

21

CH15977

SPRING

4шт.

22

CH19553

SWITCH

(INCLUDES ITEMS 23 THROUGH 40)

1шт.

23

CH15864

GASKET

1шт.

24

M810715

BUSHING

(SUB FOR CH15873)

1шт.

25

M810715

BUSHING

(SUB FOR CH15873)

1шт.

26

CH15872

BUSHING

1шт.

27

CH15872

BUSHING

1шт.

28

CH15861

COVER

1шт.

29

CH15879

PLATE

1шт.

30

CH15875

PLATE

1шт.

31

CH15865

PLUNGER

1шт.

32

CH19554

SCREW WITH WASHER

3шт.

33

CH15868

LOCK WASHER

1шт.

34

CH15868

LOCK WASHER

1шт.

35

CH15877

BOLT

1шт.

36

CH15881

BOLT

1шт.

37

CH15867

NUT

1шт.

38

CH15867

NUT

1шт.

39

CH15869

O-RING

1шт.

40

CH15869

O-RING

1шт.

41

14M7273

NUT

M8, (SUB FOR CH12755)

1шт.

42

CH12754

WASHER

1шт.

43

CH15978

BOLT

2шт.

44

CH15981

SCREW

2шт.

45

WASHER

( CH15972 NO LONGER REQUIRED)

1шт.

46

M802566

CAP SCREW

(SUB FOR CH15980)

2шт.

47

CH12752

NUT

1шт.

48

H836R

BALL

(SUB FOR CH12554)

1шт.

49

CH12556

SPRING

1шт.

50

19M7268

CAP SCREW

M12 X 25

2шт.

Выбрано товаров: 50