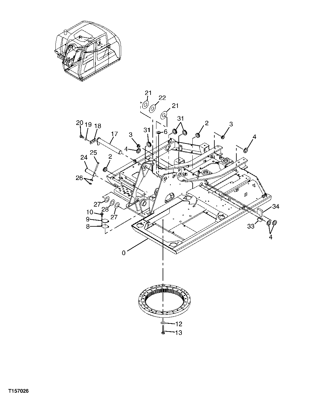
Запчасти John Deere 60C LC 80 - MAIN FRAME 1740 FRAME INSTALLATION

Схема запчастей John Deere 60C LC - 80 - MAIN FRAME 1740 FRAME INSTALLATION
FIT
1:1
100%

Артикул

Название

Примечание

Количество

0

Frame

1шт.

2

4201749

Grommet

2шт.

3

4279257

Bushing

2шт.

4

4509404

Grommet

4шт.

6

4279256

Bushing

1шт.

8

4415233

Packing

1шт.

9

4415231

Cover

1шт.

10

19M7402

Cap Screw

M10 X 25

2шт.

12M7066

Lock Washer

10 mm

2шт.

24M7028

Washer

10.500 X 20 X 2 mm

2шт.

12

24M7338

Washer

17 X 30 X 3 mm

24шт.

13

J921685

Bolt

24шт.

17

8083051

Pin Fastener

1шт.

18

9754382

Plate

1шт.

19

12H294

Lock Washer

5/8"

2шт.

20

19M8035

Cap Screw

M16 X 35

2шт.

21

4394384

Plate

2шт.

22

4394385

Plate

1шт.

24

3076941

Pin

1шт.

25

4435123

Pin Fastener

1шт.

26

14M7276

Nut

M16

2шт.

27

4374459

Plate

2шт.

28

4374437

Plate

1шт.

31

4087462

Bushing

3шт.

33

4461328

Isolator

1шт.

34

4461330

Isolator

1шт.

Выбрано товаров: 26