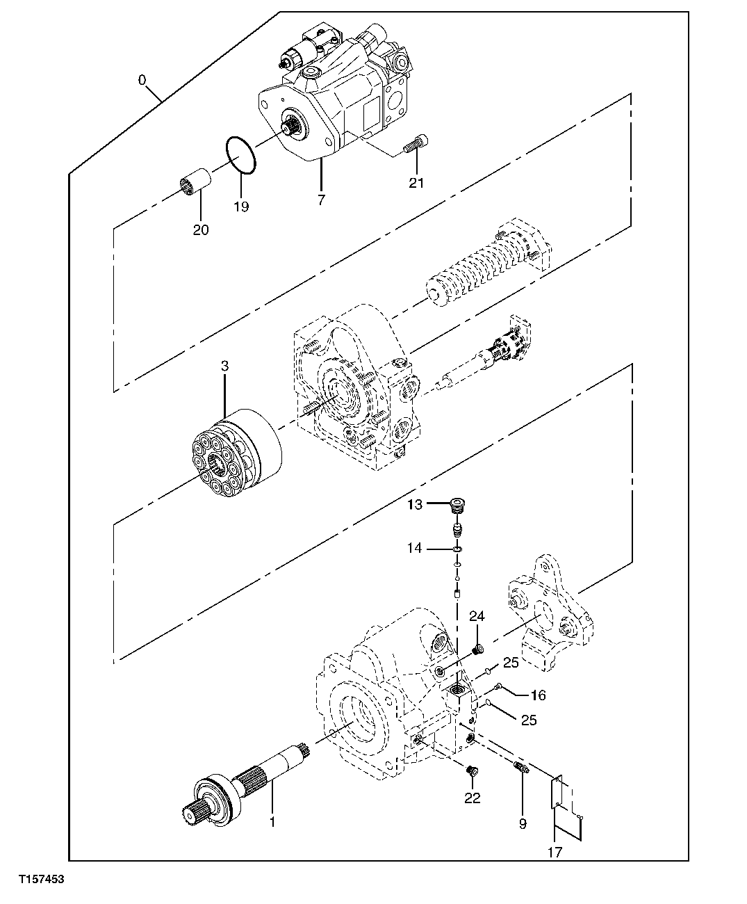
Запчасти John Deere 60C LC 178 - HYDRAULIC PUMP COMPONENTS (PUMPS 1 AND 2) 3361 HYDRAULIC PUMP

Схема запчастей John Deere 60C LC - 178 - HYDRAULIC PUMP COMPONENTS (PUMPS 1 AND 2) 3361 HYDRAULIC PUMP
FIT
1:1
100%

Артикул

Название

Примечание

Количество

0

4437197

Hydraulic Pump

1шт.

1

4472004

Shaft

1шт.

3

4472005

Rotary Valve Sleeve

1шт.

7

4472052

Pump Kit

1шт.

9

0747401

Flow Control Hyd. Valve

1шт.

13

TH104732

Fitting Plug

SUB FOR 0230126

1шт.

14

0215025

Ring

1шт.

16

0231018

Pipe Plug

1шт.

17

0715701

Label

1шт.

19

0294407

O-Ring

1шт.

20

0826201

Coupling

1шт.

21

19M8169

Screw

M12 X 30 SUB FOR M341230

2шт.

22

0696004

Fitting Plug

1шт.

24

0214912

Drain Plug

1шт.

25

0661701

O-Ring

2шт.

Выбрано товаров: 15