Качественные детали и логистика
Оригинальные и аналоговые запчасти с доставкой по России, Казахстану и Беларуси
©2022 PartSell ООО "Система" ИНН 2463123282 ОГРН 1212400004838
Центральный офис: г. Красноярск, Академика Киренского, д.87, пом.4
Телефон: 8 (800) 777-65-74 Email: zakaz@partsell.ru
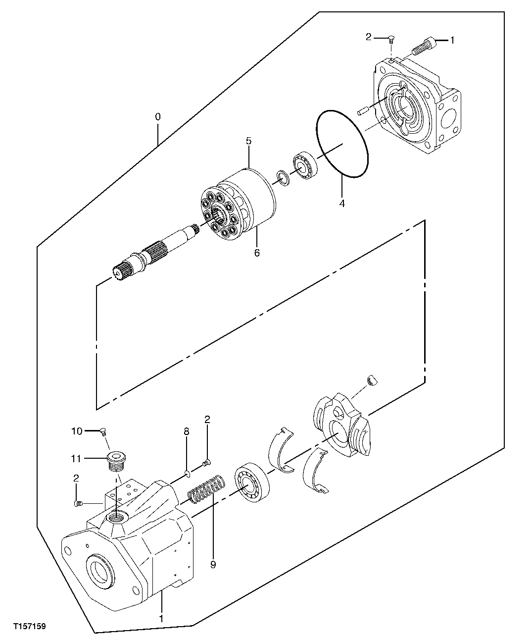
186 - HYDRAULIC PUMP COMPONENTS (PUMP 3)
№
Артикул
Название
Примечание
Количество
0
Hydraulic Pump
( 4472053 NLA) (SUB 4472052)
1шт.
1
0824905
Bolt
4шт.
2
0824907
Pipe Plug
3шт.
4
0824903
O-Ring
5
0824901
Plate
6
4472009
Rotary Valve Sleeve
8
0824904
Seal
9
0824902
Spring
10
0824908
11
0824906
Выбрано товаров: 0