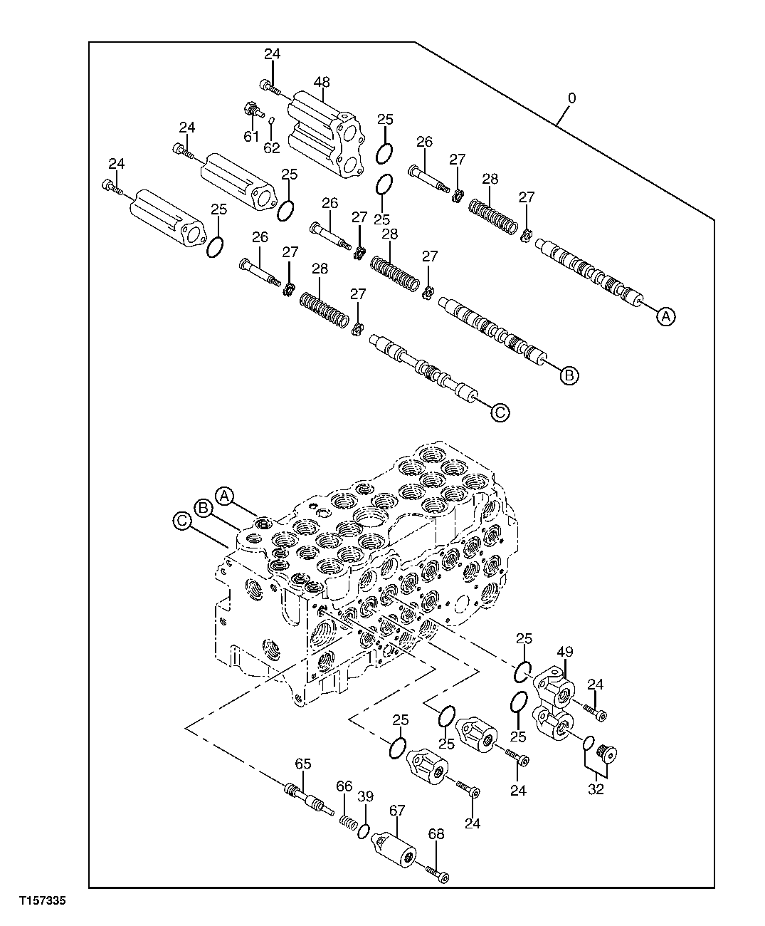
Запчасти John Deere 60C LC 199 - CONTROL VALVE (3-SPOOL) (OFFSET BOOM) 3362 CONTROL AND LOAD HOLDING VALVES

Схема запчастей John Deere 60C LC - 199 - CONTROL VALVE (3-SPOOL) (OFFSET BOOM) 3362 CONTROL AND LOAD HOLDING VALVES
FIT
1:1
100%

Артикул

Название

Примечание

Количество

0

4469026

Hyd Actuated Control Valve

(ADDITIONAL COMPONENTS LISTED O N PREVIOUS AND FOLLOWING PAGES)

1шт.

24

12M7006

Lock Washer

6 mm (SUB FOR 0455002)

16шт.

19M7603

Screw

M6 X 20

16шт.

24M7105

Washer

6 X 12 X 1.600 mm

16шт.

25

970486

Packing

8шт.

26

0714403

Holder

3шт.

27

0332904

Retainer

6шт.

28

0332905

Spring

3шт.

32

0689405

Fitting Plug

1шт.

39

4506420

O-Ring

1шт.

48

0825201

Cap

1шт.

49

0825202

Cap

1шт.

61

0825203

Pipe Plug

1шт.

62

M800650

Packing

(SUB FOR 957366)

1шт.

65

Spool

( 0826501 NLA)

1шт.

66

0826502

Spring

1шт.

67

0826503

Cap

1шт.

68

0429314

Bolt

2шт.

Выбрано товаров: 18