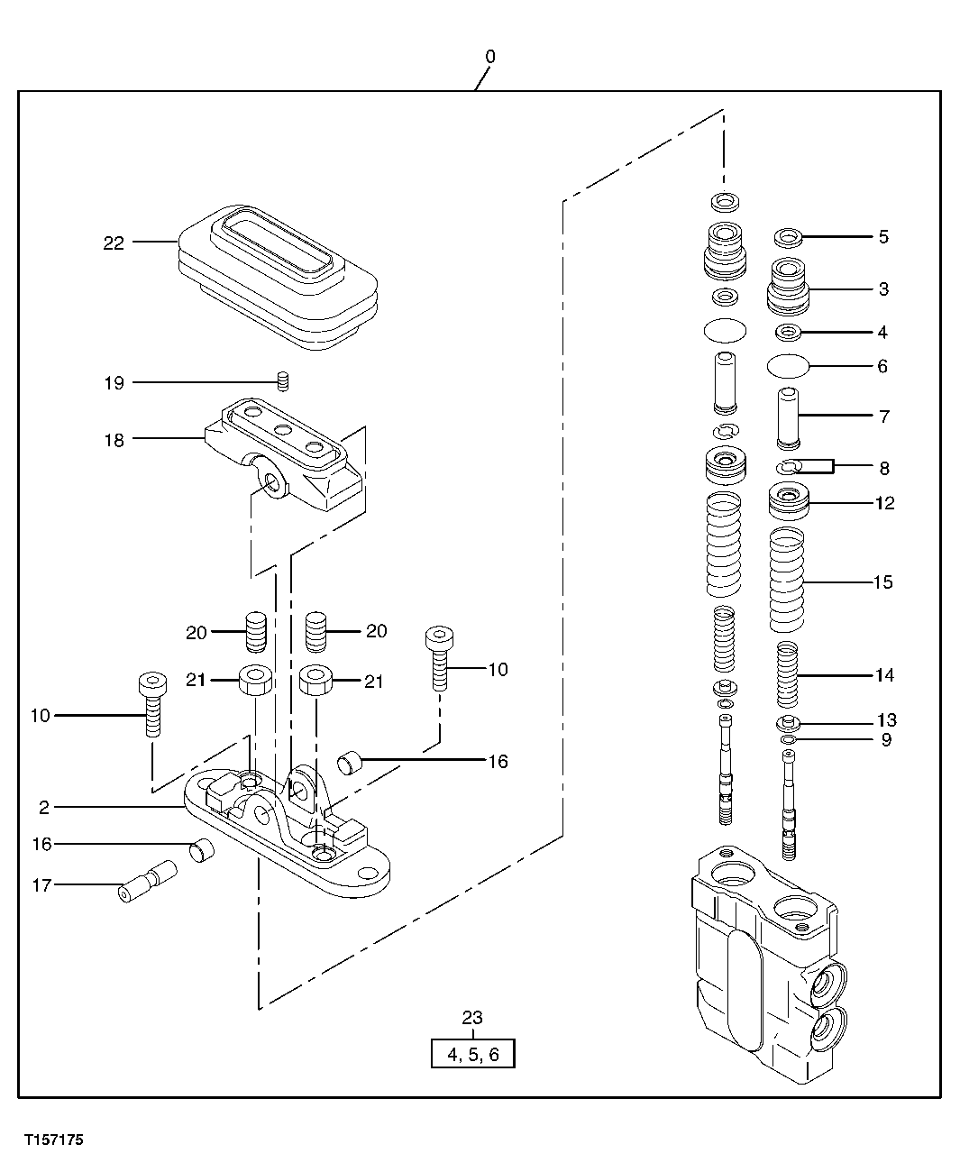
Запчасти John Deere 60C LC 203 - BLADE PILOT CONTROLLER COMPONENTS 3362 CONTROL AND LOAD HOLDING VALVES

Схема запчастей John Deere 60C LC - 203 - BLADE PILOT CONTROLLER COMPONENTS 3362 CONTROL AND LOAD HOLDING VALVES
FIT
1:1
100%

Артикул

Название

Примечание

Количество

0

4357586

Hydr./Pilot Control Valve

1шт.

2

0630701

Cover

1шт.

3

0630702

Pipe Plug

2шт.

4

0628908

Seal

2шт.

5

0630703

Ring

2шт.

6

CH12329

Packing

SUB FOR 4506420

2шт.

7

0681301

Rod

2шт.

8

0428906

Washer

4шт.

9

Washer

TH0428907 NLA

2шт.

10

0630705

Bolt

2шт.

12

0630706

Valve Seat

2шт.

13

0428910

Washer

2шт.

14

0630707

Spring

2шт.

15

0681302

Spring

2шт.

16

0630709

Bushing

2шт.

17

0630710

Shaft

1шт.

18

0630711

Cam

1шт.

19

0179001

Screw

1шт.

20

0630712

Screw

2шт.

21

14M7274

Nut

M10 SUB FOR 0630713

2шт.

22

0630714

Boot

1шт.

23

Seal Kit

ORDER (2) 0628908 (2) 0630703 AND (2) CH12329, 4345769 NLA

1шт.

Выбрано товаров: 0