Качественные детали и логистика
Оригинальные и аналоговые запчасти с доставкой по России, Казахстану и Беларуси
©2022 PartSell ООО "Система" ИНН 2463123282 ОГРН 1212400004838
Центральный офис: г. Красноярск, Академика Киренского, д.87, пом.4
Телефон: 8 (800) 777-65-74 Email: zakaz@partsell.ru
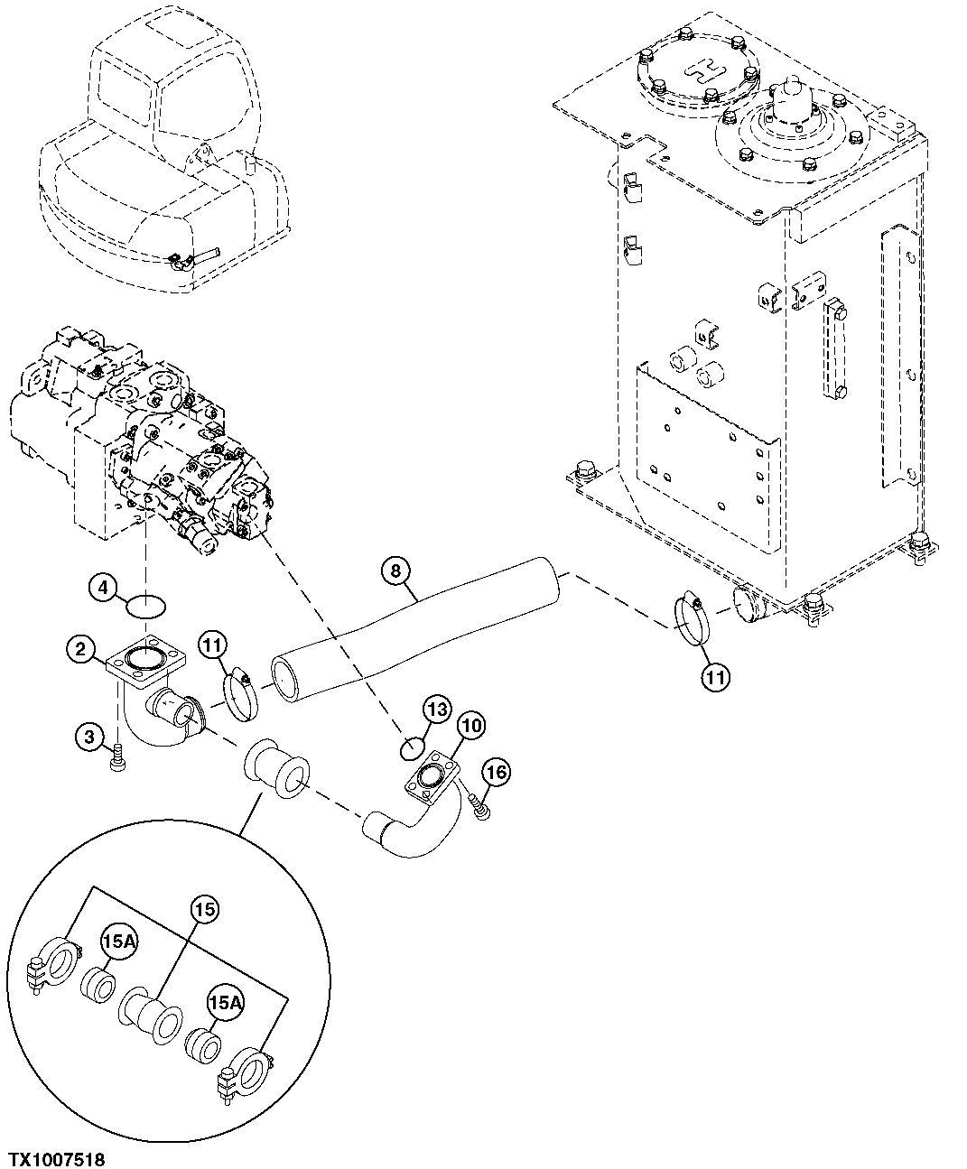
213 - SUCTION PIPING
№
Артикул
Название
Примечание
Количество
2
2045941
Line
1шт.
3
19M8169
Screw
M12 X 30 (SUB FOR J781230)
4шт.
4
TH105683
O-Ring
8
4120294
Hose
10
3089853
11
AT39141
Hose Clamp
2шт.
13
A811040
15
4069801
Coupling
(SUB FOR 4712341 AND 4196259)
15A
4196259
Seal
NLA, ORDER 4069801
16
19M7576
M10 X 30 (SUB FOR J781030)
Выбрано товаров: 0