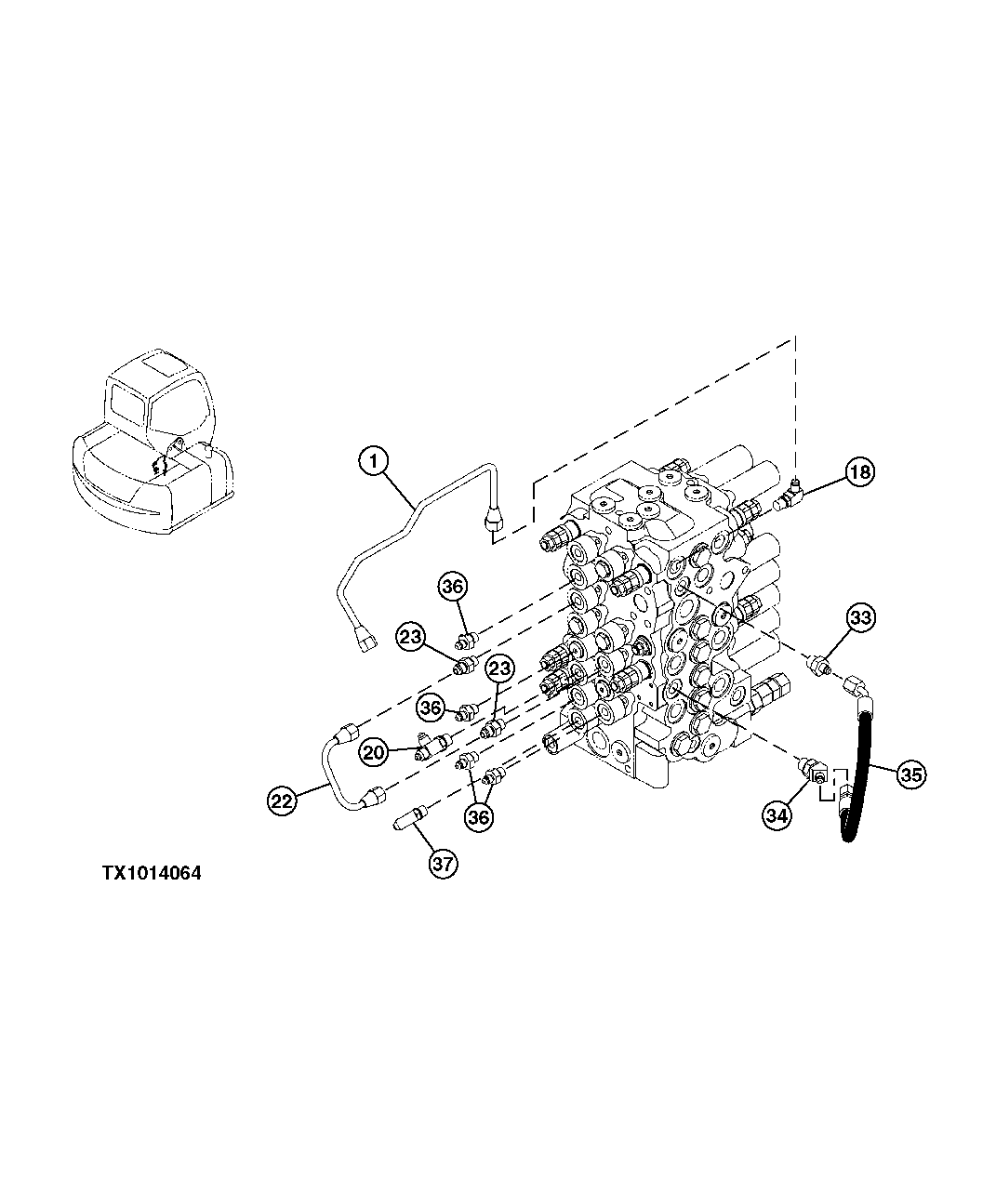
Запчасти John Deere 60C LC 231 - PILOT LINES (CONTROL VALVE FRONT TO CONTROL VALVE REAR) 3363 LINES, HOSES AND FITTINGS

Схема запчастей John Deere 60C LC - 231 - PILOT LINES (CONTROL VALVE FRONT TO CONTROL VALVE REAR) 3363 LINES, HOSES AND FITTINGS
FIT
1:1
100%

Артикул

Название

Примечание

Количество

1

3102478

Pipe

(SUB FOR 3092184)

1шт.

18

4293950

Fitting

1шт.

M800650

Packing

1шт.

20

4203485

Fitting

1шт.

M800650

Packing

1шт.

22

4455038

Oil Line

1шт.

23

4255304

Fitting

2шт.

M800650

Packing

1шт.

33

A852132

Adapter Fitting

1шт.

CH11570

O-Ring

1шт.

34

A852232

Elbow Fitting

1шт.

CH11570

O-Ring

1шт.

35

4463165

Hydraulic Hose

1шт.

36

A852122

Adapter Fitting

4шт.

M800650

Packing

1шт.

37

4154670

Elbow Fitting

(SUB FOR A852322, P67984 OR THA852322)

1шт.

M800650

Packing

1шт.

Выбрано товаров: 0