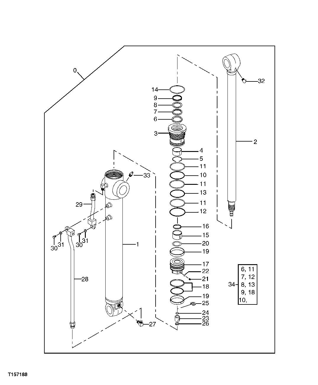
Запчасти John Deere 60C LC 246 - ARM CYLINDER COMPONENTS (OFFSET BOOM) 3365 HYDRAULIC CYLINDERS

Схема запчастей John Deere 60C LC - 246 - ARM CYLINDER COMPONENTS (OFFSET BOOM) 3365 HYDRAULIC CYLINDERS
FIT
1:1
100%

Артикул

Название

Примечание

Количество

0

9163825

Hydraulic Cylinder

1шт.

1

0728701

Hydraulic Cylinder Barrel

1шт.

2

0728702

Rod

1шт.

3

0728703

Hydraulic Cylinder Cap

1шт.

4

0444706

Bushing

1шт.

5

0225704

Snap Ring

1шт.

6

AT264380

Ring

(K) (SUB FOR 0225714)

1шт.

7

AT264378

Ring

(K) (SUB FOR 0225711)

1шт.

8

AT264379

Back-Up Ring

(K) (SUB FOR 0225712)

1шт.

9

AT264377

Ring

(K) (SUB FOR 0444715)

1шт.

10

CH18696

Packing

(K) (SUB FOR A811090)

1шт.

11

AT264391

Back-Up Ring

(K) (SUB FOR 0310606)

3шт.

12

A810095

O-Ring

(K)

1шт.

13

A811085

O-Ring

(K)

1шт.

14

4043327

Lock Washer

1шт.

15

0728704

Bearing

1шт.

16

0728705

Seal

1шт.

17

0728706

Piston

1шт.

18

AT264392

Ring

(K) (SUB FOR 0310608)

1шт.

19

AT264229

Ring

(SUB FOR AT130547, 0495713, 0333007)

2шт.

20

0728707

Shim

1шт.

21

0310612

Set Screw

1шт.

22

0111818

Ball

1шт.

23

0444708

Bearing

1шт.

24

0714904

Seal

1шт.

25

0444710

Snap Ring

1шт.

26

0396211

Snap Ring

2шт.

27

0714804

Elbow Fitting

1шт.

28

0728708

Line

1шт.

29

0728709

Line

1шт.

30

0714807

Screw

2шт.

31

0714808

Washer

2шт.

32

0159411

Lubrication Fitting

1шт.

33

J75481

Fitting

2шт.

34

4415584

Seal Kit

(INCLUDES ALL (K) PARTS)

1шт.

Выбрано товаров: 35