Запчасти John Deere 60LC 68 - FAN DRIVE SUPPORT,PULLEY AND FAN BELT TENSIONERS 0429A Fan Drive (Damper, Idler, Pulleys, & Belt) 4045TP053 4045TP053

Схема запчастей John Deere 60LC - 68 - FAN DRIVE SUPPORT,PULLEY AND FAN BELT TENSIONERS 0429A Fan Drive (Damper, Idler, Pulleys, & Belt) 4045TP053 4045TP053
FIT
1:1
100%

Артикул

Название

Примечание

Количество

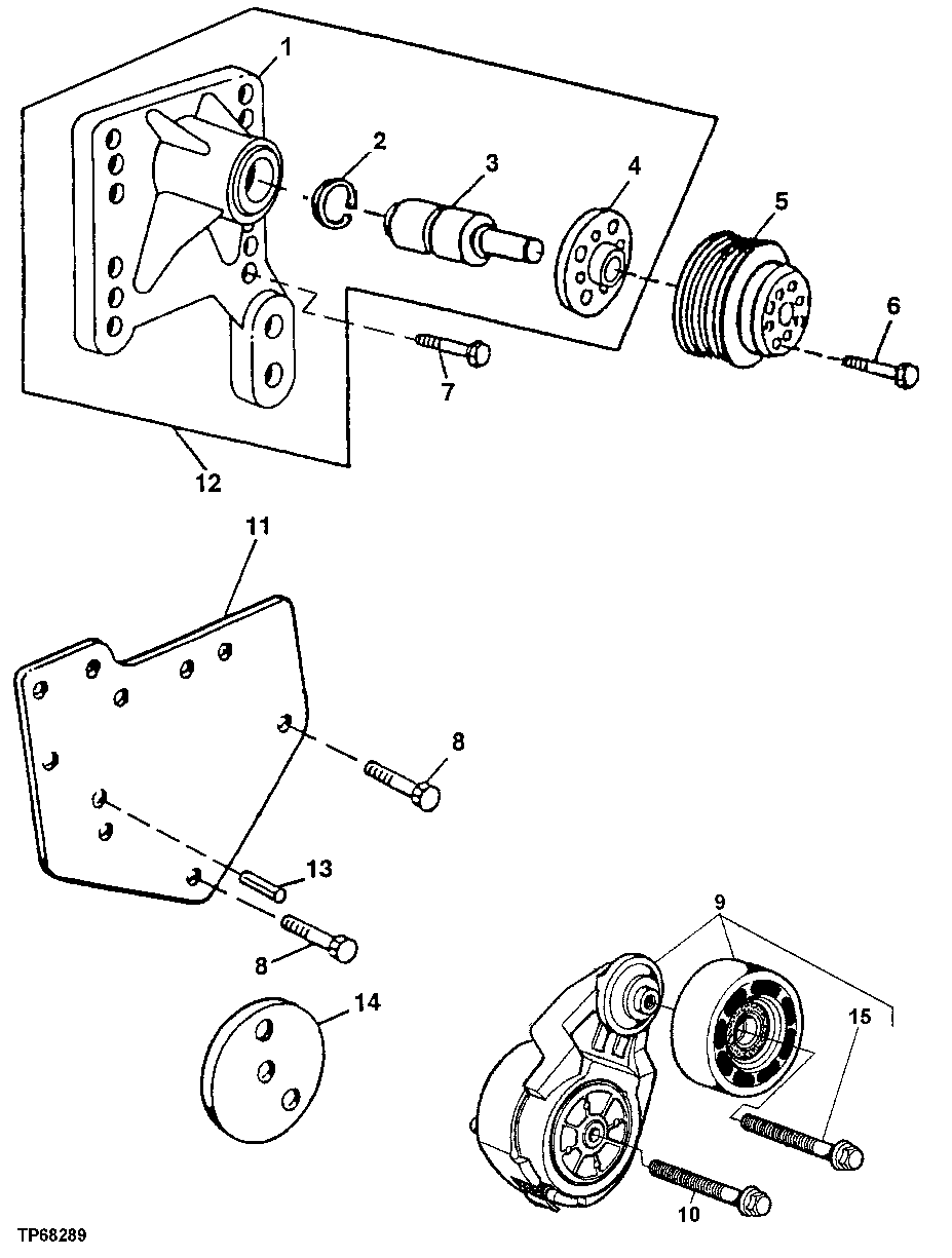
1

Bearing Housing W/ Bearing

(MARKED R134775)

1шт.

2

E1343FN

Snap Ring

1шт.

3

Shaft

( RE69292 NLA)

1шт.

4

RE500538

Fan

(SUB FOR R123284)

1шт.

5

R128660

Pulley

1шт.

6

19M7784

Screw

M10 X 20

4шт.

7

19M7835

Screw

M10 X 35

4шт.

8

19M7801

Screw

M8 X 60

1шт.

9

RE70536

Belt Tensioner

1шт.

10

19M8131

Screw

M10 X 70

1шт.

11

R132168

Support

1шт.

12

RE503664

Support

(MARKED R502014)

1шт.

13

34M7061

Spring Pin

8 X 20 mm

1шт.

14

R500321

Spacer

1шт.

15

R503813

Bolt

Left Hand Thread

1шт.

Выбрано товаров: 15